EasyManua.ls Logo

Furuno CH-270 - 4. ECHO SOUNDER MODE; 4.1 Operational Overview

Furuno CH-270
118 pages
Print Icon
To Next Page IconTo Next Page
To Next Page IconTo Next Page
To Previous Page IconTo Previous Page
To Previous Page IconTo Previous Page
Loading...
4-1
4. ECHO SOUNDER MODE
4.1 Operational Overview
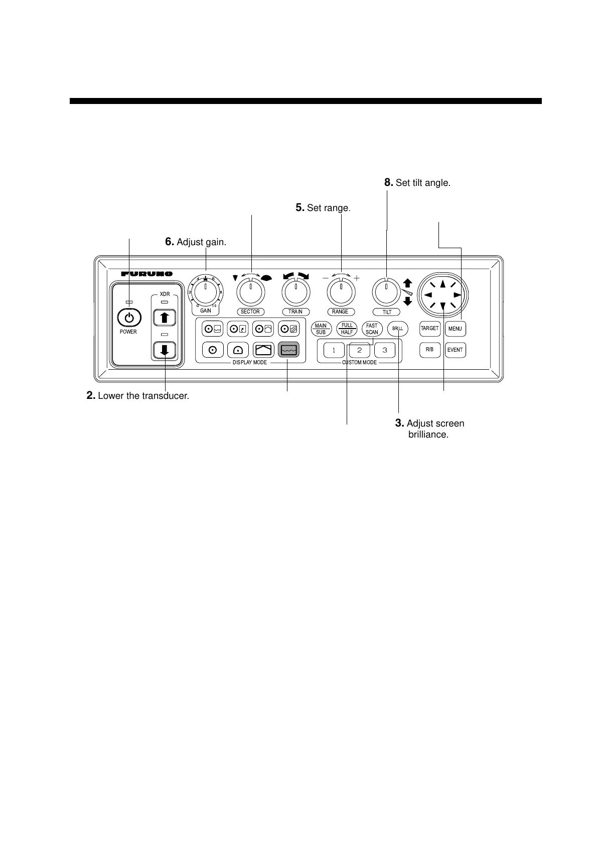
The figure below shows the typical echo sounder mode operating sequence.
GAIN
SECTOR TRAIN
RANGE
TILT
MAIN
SUB
FULL
HALF
FAST
SCAN
BRILL
TARGET
MENU
R/B
EVENT
CUSTOM MODE
DISPLAY MODE
POWER
XDR
2.
Lower the transducer.
6.
Adjust gain.
5.
Set range
.
8.
Set tilt angle.
3.
Adjust screen
brilliance.
9.
Set picture advance speed.
4.
Select echo sounder
mode.
10.
Measure range to fish
school with cursor.
11.
Adjust menu settings
(turn on A-scope
display, etc.).
7.
Select display sector.
1.
Turn on the power.
Control unit

Table of Contents

Other manuals for Furuno CH-270

Related product manuals