EasyManua.ls Logo

Gates MC3001 - Electrical System

Gates MC3001
19 pages
Print Icon
To Next Page IconTo Next Page
To Next Page IconTo Next Page
To Previous Page IconTo Previous Page
To Previous Page IconTo Previous Page
Loading...
USER GUIDE - MC3001
7
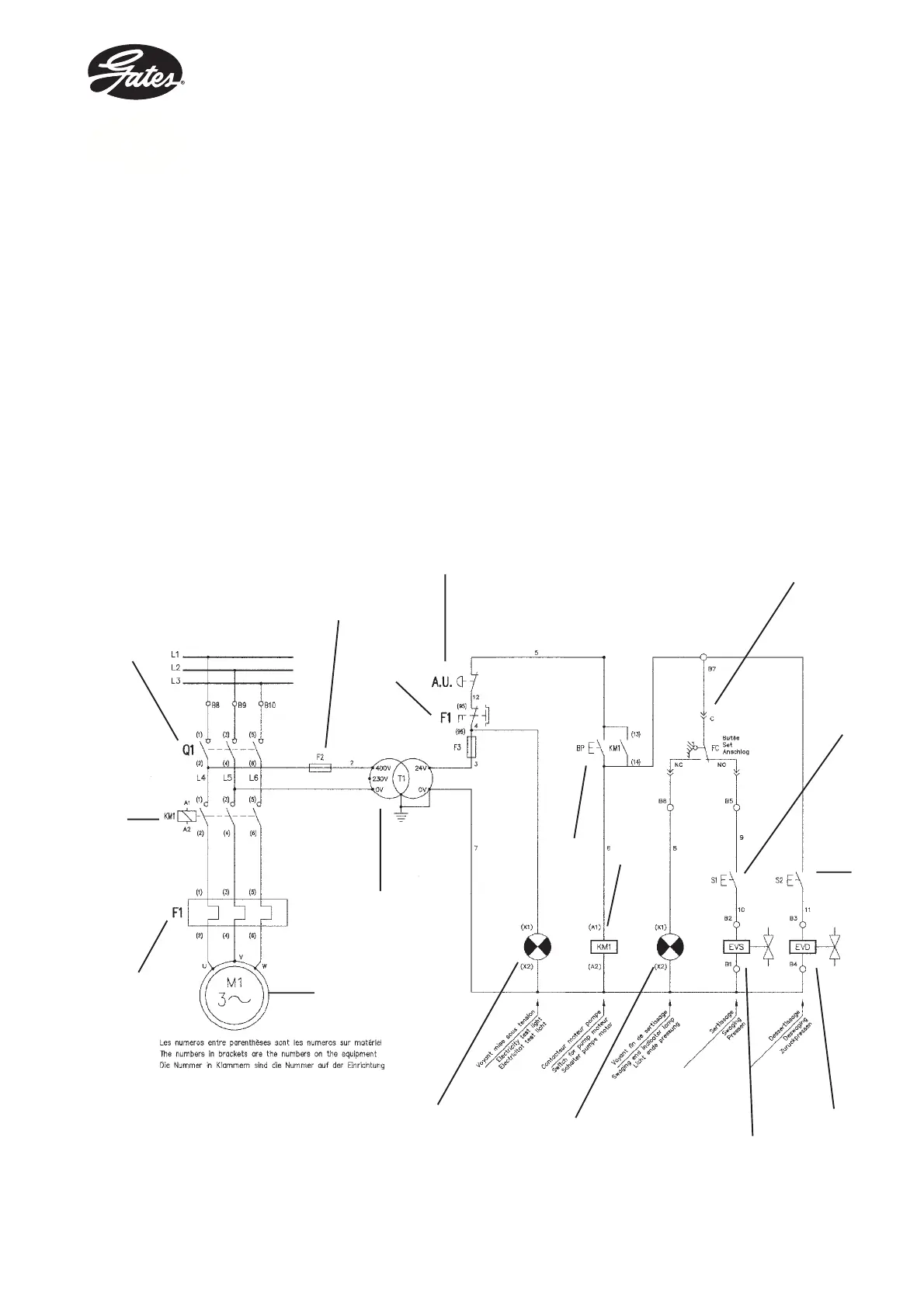
2.3.2. - ELECTRICAL SYSTEM:
The electrical system supplies the motor and control valve.
Note: Spare fuses are attached to the switch cable in the electrical enclosure of the machine.
Composition:
The electrical system is comprised of (see figure 3):
For supply section:
- an electric motor (1)
- a thermal breaker (2)
- a general disconnecting switch "0-1" (3)
- a motor contactor (14)
For control section:
- 2 fuses 0,25 A am (4) and 4A gi (5)
- a micro-switch (6)
- two push-buttons (7) and (8)
- two control valve coils (9) and (10)
- two indicator lamps (11) and (15)
- a transformer (12) 380-220/24 V
- a push-button (13)
- a motor contactor (14)
- a emergency stop (16)
Figure 3 : Electrical circuit diagram.
1
2
3
4
5
6
7
8
9
10
11
12
13
14
15
14
16
/1
(3-phase)
(3-phase)

Related product manuals