EasyManua.ls Logo

GE 040374 - General Set Up Screen Configuration

GE 040374
124 pages
Print Icon
To Next Page IconTo Next Page
To Next Page IconTo Next Page
To Previous Page IconTo Previous Page
To Previous Page IconTo Previous Page
Loading...
Not for
Reproduction
30
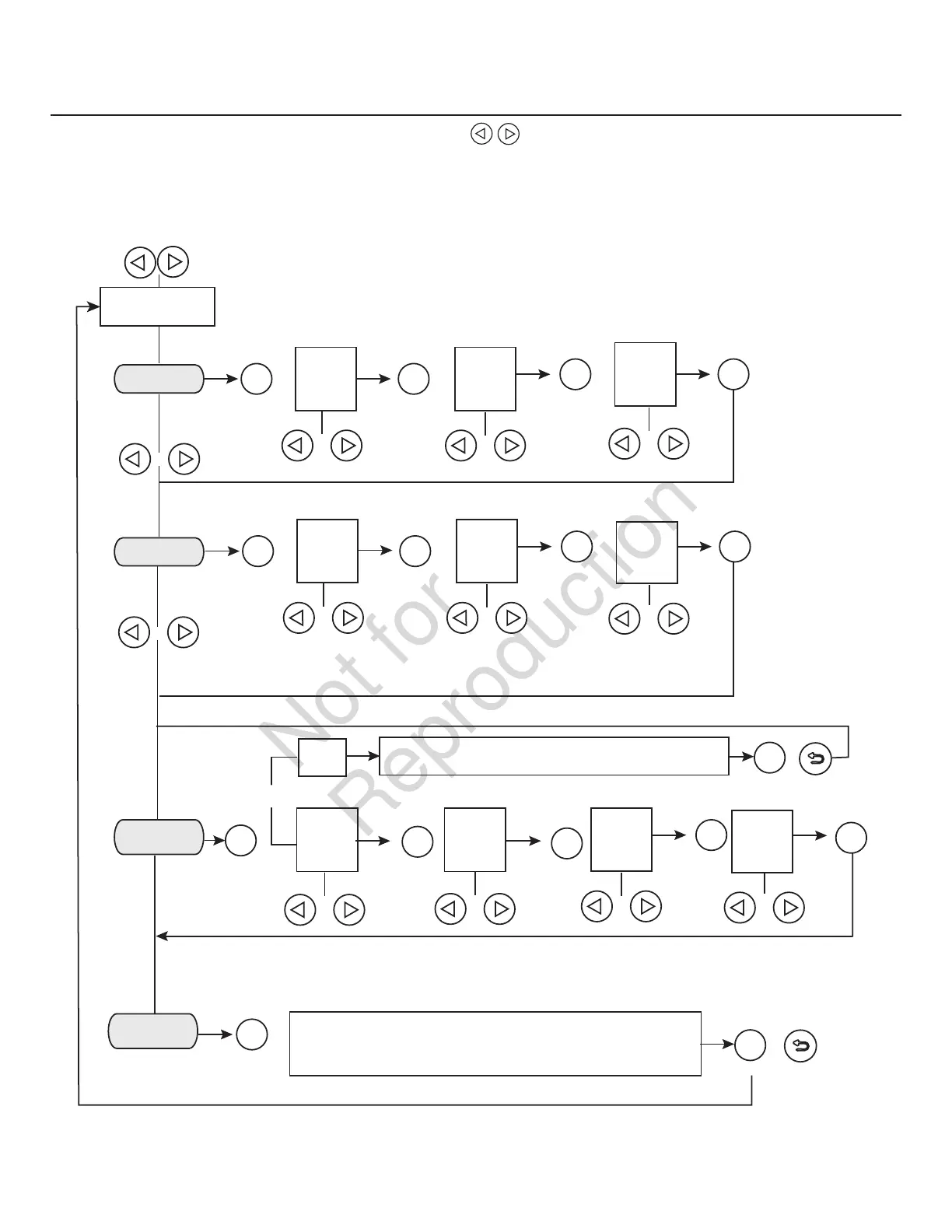
General Set Up Screen
For general set up, press and hold the left arrow and right arrow for 3 seconds. Follow the prompts as outlined below.
ok
ok
ok
NOTE: Date and Time were set at the factory and stored in the control panel memory. The Exercise Cycle was
also set at the factory. The default exercise cycle occurs on Tuesdays, at 2:00 P.M. Central Standard Time.
To updated or change these settings, follow the steps below.
IF DURING PROGRAMMING NO BUTTONS ARE PRESSED FOR 40 SECONDS,
THE CONTROL PANEL WILL AUTOMATICALLY EXIT THE PROGRAM MODE.
SET DATE
ok
MONTH
FLASHING
ok
ok ok
or or
or
DAY##
FLASHING
YEAR
FLASHING
“GENERAL SET-UP
WILL SCROLL
SET TIME
ok
HOURS
FLASHING
ok
ok ok
or or
MIN
FLASHING
SET EXERCISE
CYCLE
ok
or
AM/PM
FLASHING
HOURS
FLASHING
ok
or
ok
or
MIN
FLASHING
ok
DAY OF WEEK
FLASHING
or
AM/PM
FLASHING
ok
or
or
or
EVENT
LOG
ok
Display will scroll last service code event, date, time, and
temperature of when the event occured.
or
OFF
If set to OFF, display will read: EXERCISE CYCLE OFF
ok
or
or
ok

Table of Contents

Related product manuals