EasyManua.ls Logo

GE 040374 - Pantalla General Set up (Ajuste General)

GE 040374
124 pages
Print Icon
To Next Page IconTo Next Page
To Next Page IconTo Next Page
To Previous Page IconTo Previous Page
To Previous Page IconTo Previous Page
Loading...
Not for
Reproduction
30
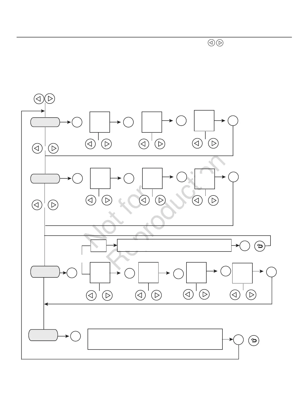
Pantalla General Set Up (Ajuste general)
Para el ajuste general, pulse y mantenga oprimidas la flecha izquierda y la flecha derecha por 3 segundos. Siga las
indicaciones que se señalan a continuación:
ok
ok
ok
NOTA La fecha y hora se ajustaron en la fábrica y se almacenaron en la memoria del panel de control. El
ciclo de prueba también se ajustó en la fábrica. El ciclo de prueba predeterminado se produce los martes
a las 2:00 p. m., hora del centro. Para actualizar o cambiar estos ajustes, siga los pasos que se presentan a
continuación:
IF DURING PROGRAMMING NO BUTTONS ARE PRESSED FOR 30 SECONDS,
THE CONTROL PANEL WILL AUTOMATICALLY EXIT THE PROGRAM MODE.
SET DATE
ok
MONTH
FLASHING
ok
ok ok
or or
or
DAY##
FLASHING
YEAR
FLASHING
SET TIME
ok
HOURS
FLASHING
ok
ok ok
or or
MIN
FLASHING
SET EXERCISE
CYCLE
ok
or
AM/PM
FLASHING
HOURS
FLASHING
ok
or
ok
or
MIN
FLASHING
ok
DAY OF WEEK
FLASHING
or
AM/PM
FLASHING
ok
or
or
or
EVENT
LOG
ok
Display will scroll last service code event, date, time, and
temperature of when the event occured.
ok
or
OFF
If set to OFF, display will read: EXERCISE CYCLE OFF
ok
or
or
Si se ajusta en OFF, en la pantalla aparecerá:
EXERCISE CYCLE OFF
O
O
O
O
O
O
O
O
O
O
O
O
DÍA DE LA
SEMANA
PARPADEANDO
HORAS
PARPADEANDO
MINUTOS
PARPADEANDO
AM/PM
PARPADEANDO
La pantalla mostrará el último evento de código de servicio,
fecha, hora
y temperatura de cuando el evento ocurrió.
SI DURANTE LA PROGRAMACIÓN NO SE PRESIONAN BOTONES DURANTE 30 SEGUNDOS,
EL PANEL DE CONTROL AUTOMÁTICAMENTE SALDRÁ DEL MODO DE PROGRAMA.
AÑO
PARPADEANDO
MES
PARPADEANDO
DÍA##
PARPADEANDO
HORAS
PARPADEANDO
MINUTOS
PARPADEANDO
AM/PM
PARPADEANDO

Table of Contents

Related product manuals