EasyManua.ls Logo

GE AKD-10 - Physical Layouts and Details; NEMA 1 Indoor Switchgear Layouts

GE AKD-10
66 pages
Print Icon
To Next Page IconTo Next Page
To Next Page IconTo Next Page
To Previous Page IconTo Previous Page
To Previous Page IconTo Previous Page
Loading...
45
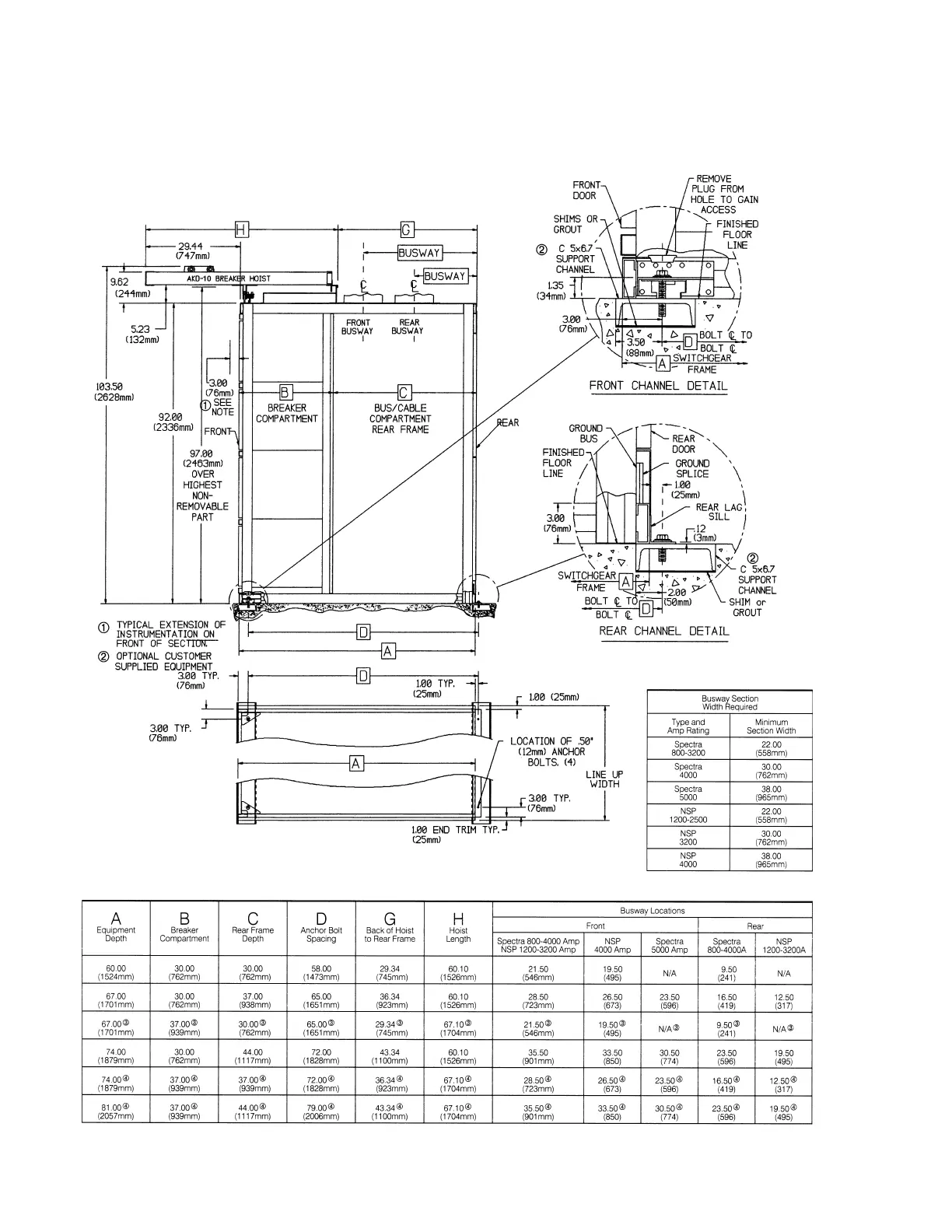
Floor plans and side views
AKD-10
NEMA 1 indoor — side view and anchoring details
Note: Refer to installation drawing and AKD-10 switchgear installation manual (DEH-194) for additional information
 If line-up includes any WPF-08/16 br
eak
er
s
à If line-up includes any WPS/WP
X-50 or WPF-08/16 br
eak
er
s
Refer to Table 32.1 and 32.2 for equipment depth options.

Related product manuals