EasyManua.ls Logo

GE AMX-II

GE AMX-II
223 pages
To Next Page IconTo Next Page
To Next Page IconTo Next Page
To Previous Page IconTo Previous Page
To Previous Page IconTo Previous Page
Loading...
GENERAL
ELECTRIC
MEDICAL
SYSTEMS
AMX-Il
X-RAY
UNIT
1-1880
£065:
|
45
|
46
“7
|
43
SM
4
2654Е
52
51
i
52
|
53
i
54
|
35
=
|
5
GENERAL
É
ELECTRIC
|
23596-040
TL
1
cont
ou
seer
&
mos
MO.
ーー
ANNAEET
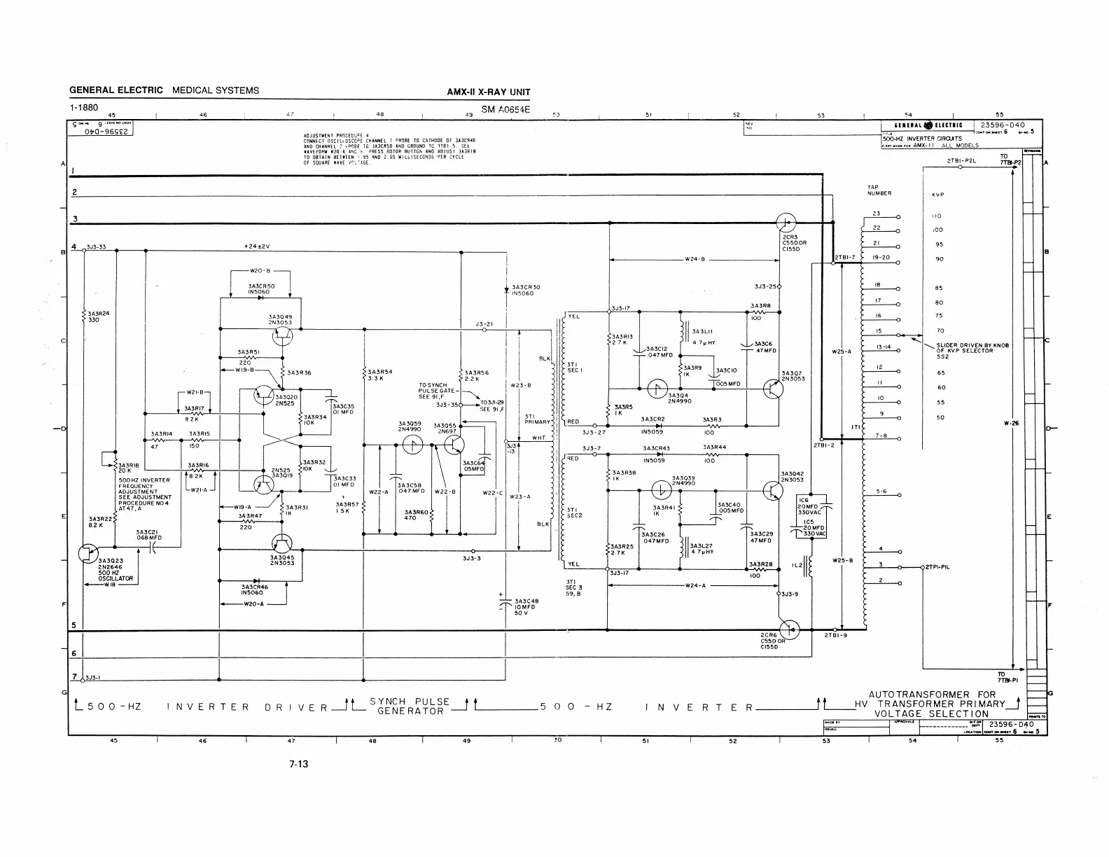
OSCILLDSEOPE
Ch
500-HZ
INVERTER
CIRCUITS
CONNECI
OSCILIOSCOPE
CHANNEL
!
PROBE
TO
CATHODE
OF
3AJCRAS
AND
CHANNEL
?
rPOBE
TO
JAJCRSO
AND
GROUND
TC
EE
rinst
wane
son
AMX-|!
ALL
MODELS
WAVEFORM
W20-A
ANS
S.
PRESS
ROTOR
BUTIGN
ANO
ADIUST
JAR
=
TO
OBTAIN
BETWEEN
:.95
AND
2.05
MILLISECONDS
PER
CYCL
3TBI-P2L
TO
Г
А
OF
SQUARE
WAVE
VOLTAGE.
2
TTBI-P2
|
|
4
AP
2
]
NUMBER
КУР
nj
110
|
|
3
Lad
<
100
2CR3
C55DOR
95
4
3J3-33
+24+2V
C155D
-一
W24-B
>
90
=
TER
W20-B
~
amaaa
-
3A3CR50
3A3CR30
343-256
85
IN5060
У
Nsoeo
ーーー]
mi
>
80
,
1343-17
a
34308
E
<
VW
.
Pr
2
33019
3A3049
100
ČN
ο
75
1
|
2N3053
|
J3-21
$
Y
>
3A3L11
>
15
70
4)
3A3R13
z?
A
<
27
3A3CI2
4.74
HY
3A3C6
13-14
x
SLIDER
DRIVEN
BY
KNOB
|
LL
.47MFD
5-
KV
SASRS!
Z
047MFD
«
E
W25-A
2
220
|
|
<
12
|
e—
WI9-B
3A3R36
2
3A3R54
<
3A3R56
ς
SASCIO
34307
O
65
$3.3K
222K
2N3053
(
TO
SYNCH
W23-B
CAN
[005
MFD
(e
E
60
W2I-B
PULSE
GATE-|—
|
o
>
|
|
2!
343020
L
SEE
91,F
M
NL
75304
SS
>
IO
2N525
TM
33
-
35
Óm
(03-23
2N
4990
O
55
ーー
3A3RI7
1
|
DCS
SEE OIF
3A3R5
|
"1OK
3A
3Q59
3A3055
-
md
AAA
W-26
2N4990
é
>
Sa
ww
D
2N697
3J3-27
IN5059
IOO
3A3RI4
3A3RI5
47
507
φ
CA
C
)
BR.
3A3R44
[4
Ww
NOS
3
NE
ts
ΑΛΑ
;
IN5059
IOO
23A3RI8
3A3RI6
Si
5
SAS
C64
M
7
20
K
oN
2N525
ŠOK
Al
|
2
3A3R38
3A3019
«
2
5?
343039
3A3042
500
HZ
INVERTER
3A3C33
T-
<
343038
2N3053
OI
MFD
3A3C58
FREQUENCY
ο
|
a
ADJUSTMENT
W21-A
w22-A
(.047MFD
|w22-8
W22-C
NY)
Cha,
SEE
ADJUSTMENT
A
we
>
Wrap
ae
NOS
e
wi9-A
S
3A3R3I
SASRS7
©
3A3R41
343c
40
<
|
3A3R47
ZIK
ISK
2
3A3R60
<
3
OGS
MED
:
E
3A3R22$
AAA
470
5
İ
č
|
8.2
K
АЗС
220
1
229
ζ
<
3A3C26
3A3
Ç
|
.068
MFD
|
047MFD
47MFD
|
1
/
S3A3R25
3A3L27
С
4
(
1
n.
perk
STK
È
3A3045
3J3-
3
3A3Q23
2N3053
]
A3R
d
2N2646
$
SA3R28
/一
2TPL-PIL
500
HZ
3J3-17
100
|
OSCILLATOR
pi
τι
2
ペーーーW
18
3A3CR46
SEC
3
<
\24-А
>
145060
+
59,
В
3J3-9
ーー
3A3C48
F
コーーーー
W20
-A
“人
1omF0
50
V
9
Om
2cR6N
|
2TBI-9
C550
OR
-
С1550
6
=
т
TO
7
1353
7TBHPpl
|
|
G
AUTOTRANSFORMER
FOR
|
500-HZ
INVERTER
Driver
I
SYNCH
PULSE
ft
5
0
0
-
HZ
INVERTER
ft
HV
TRANSFORMER
PRIMARY.
f
VOLTAGE
SELECTION
man
re
MADE
BY
|
APPROVALS
A
23596-
000
pus
|
on
mast
È
ww
45
|
46
|
47
|
48
|
49
|
£0
|
51
|
52
|
53
|
54
|
55
7-13

Related product manuals