EasyManua.ls Logo

GE AMX-II

GE AMX-II
223 pages
To Next Page IconTo Next Page
To Next Page IconTo Next Page
To Previous Page IconTo Previous Page
To Previous Page IconTo Previous Page
Loading...
GENERAL
ELECTRIC
MEDICAL
SYSTEMS
1-1880
57
|
59
AMX-H
X-RAY
UNIT
SM
A0854E
^
50
i
64
65
66
Y
ce
rs
À
133+4
NO
LNOD
Oba
-96S€L
TO
2
TBI-PIL
2
—o—
L
HV
TRANSFORMER-İLM
A
7TBI-P2
TT
TRANSFORMER
PRIMARY
38
TURNS
TO
3J3-21
49,C
SIGNAL
FROM
500HZ
|.
INVERTER
DRIVER
353-13
5.0
49,F
3U3-3
e
49.E
7TI
R
À
Ÿ
0
м
|
=
ND
CATOR
y
|
|
GENERAL
ØD
ELECTRIC
|
TITLE
MA
CIRCUITS
rinsy
Mace
Fon
AMX
-
|
|
ALL
MODELS
23596-D41
“|
CONT
OM
SHEET
7
sno.
©
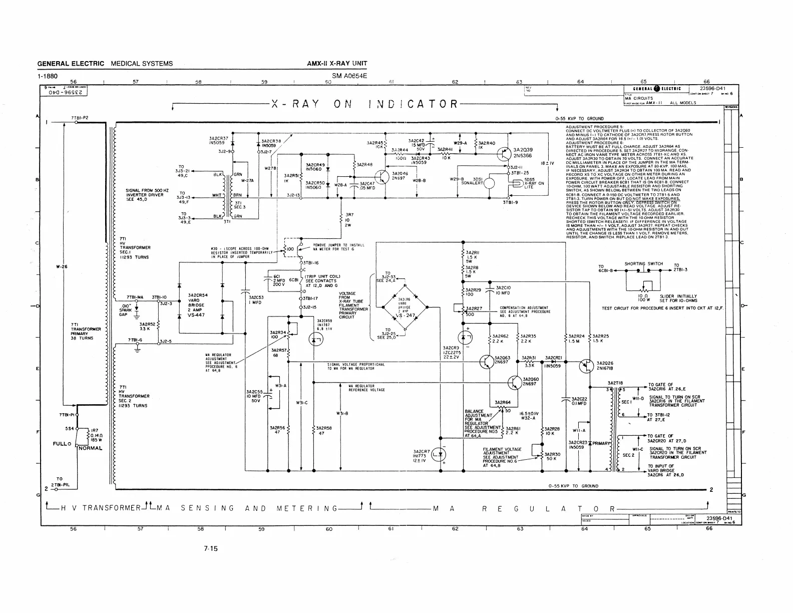
0-55
KVP
TO
GROUND
ADJUSTMENT
PROCEDURE
5:
CONNECT
DC
VOLTMETER
PLUS
(+)
TO
COLLECTOR
OF
3A2060
3A2CR37
iN5059
3J2-9
3A2CR38
VA
15059
3J2-7
/
W278B
3A2R45
1453
JA2CR49
INSO60
3A2RSI
IK
3A2CR50
IN5060
3J2-13
EA
y
2
3A2R
48
\
O5
MFD
<
<
å
+
MY
K
<
3A2C42
RE
15
MFD
50V
3
A2R4I
'
W29-A
2
SA2R40
K
3A2039
У
W28A
3А2С47
S
150
(2
3A20
46
2N597
|
3A2CR43
iNSO59
|
10
K
W29-B
2N5366
BLK?
31!
r-
¿e
1
<
3R7
2W
AND
MINUS
(—)
TO
CATHODE
OF
3A2CR7,PRESS
ROTOR
BUTTON
AND
ADJUST
3A2R64
FOR
16.5
(+/-
1.0)
VOLTS.
ADJUSTMENT
PROCEDURE
6:
BATTERY
MUST
BE
AT
FULL
CHARGE.
ADJUST
3A2R64
AS
DIRECTED
IN
PROCEDURE
5.
SET
3A2R27
TO
MIDRANGE.
CON-
NECT
AC
IRON
VANE
TYPE
METER
ACROSS
7T81-XC
AND
XS.
ADJUST
3A2R30
TO
OBTAIN
70
VOLTS.
CONNECT
AN
ACCURATE
OC
MILLIAMETER
IN
PLACE
OF
THE
JUMPER
IN
THE
MA
TERN-
INALS
ON
PANEL
3.
MAKE
AN
EXPOSURE
AT
80-KVP.
100
MAS,
IF
NECESSARY,
ADJUST
3A2R34
TO
OBTAIN
100
MA.
READ
AND
RECORD
XS
TO
XC
VOLTAGE
ON
OTHER
METER
DURING
AN
EXPOSURE.
WITH
POWER
OFF,
LOCATE
LEAD
FROM
MAIN
POWER
CIRCUIT
BREAKER
6CB1
THAT
IS
ON
6CB1-B.
CONNECT
10-OHM,
100
WATT
ADJUSTABLE
RESISTOR
AND
SHORTING
SWITCH,
AS
SHOWN
BELOW,
BETWEEN
THE
TWO
LEADS
ON
6CB1-B.
CONNECT
A
0-150
DC
VOLTMETER
TO
2TB1-5
AND
2TB1-3.
TURN
POWER
ON
BUT
DO
NOT
MAKE
EXPOSURES.
PRESS
THE
ROTOR
BUTTON
DEVICE
SHOWN
BELOW
AND
READ
VOLTAGE.
ADJUST
RE-
SISTOR
TAP
TO
OBTAIN
90
(+/—5)
VOLTS.
ADJUST
3A2R30
TO
OBTAIN
THE
FILAMENT
VOLTAGE
RECORDED
EARLIER.
RECHECK
THIS
VOLTAGE
WITH
THE
10-OHM
RESISTO
`
SHORTED
(SWITCH
RELEASED).
IF
DIFFERENCE
IN
VOLTAGE
IS
MORE
THAN
+/—
1
VOLT,
ADJUST
3A2R27.
REPEAT
CHECKS
AND
ADJUSTMENTS
WITH
THE
10-OHM
RESISTOR
IN
AND
OUT
UNTIL
THE
CHANGE
IS
LESS
THAN
1
VOLT.
REMOVE
METERS,
RESISTOR,
ANDO
SWITCH.
REPLACE
LEAD
ON
2TB1:3.
HV
TRANSFORMER
SEC.I
11293
TURNS
#30
-
(SCOPE
ACROSS
100-OHM
REMOVE
JUMPER
TO
INSTALL
スー
NA
METER
FOR
TEST
6
|
100
RESISTOR
INSERTED
TEMPORARILY
iN
PLACE
OF
JUMPER
7TBI-MA
Mod
wr
3TBI-10
.OIO
SPARK
GAP
¡Ho
3A2RS2
3.3
K
3
5
Ho
7TI
HV
TRANSFORMER
11293
TURNS
3A2CR54
Mal
РТ
MA
REGULATOR
ADJUSTMENT
SEE
ADJUSTMENT
PPOCEDURE
NO,
6
AT
64,
SENS
eed
3A2C55.
|
IO
MFD
77
50V
3TBI-I6
C
(TRIP
UNIT
COIL)
SEE
CONTACTS
TO
342-334
SEE
24,A~
x
AT
12,D
AND
G
1/1+
100
ra!
s
3A2CR59
IN1767
6.8
t1V
©
VOLTAGE
ROM
X-RAY
TUBE
FILAMENT
<
TRANSFORMER
PRIMARY
CIRCUIT
3A
3J2-25
J
\
ЗЕЕ
25,
pa
2
R6
>
3A2RI!
1.5
K
5W
<
3A2R8
>
1,5
K
5W
S
TO
e
3
Y
recio
3
A2R29
=
3A2CR3
IZC22T5
20t2V
<|
PS
10
MFD
]
[3
342827
“4500
W31-A
3A2R56
<
47
>
W3I-C
TO
MA
FOR
MA
REGULATOR
f
SIGNAL
VOLTAGE
PROPORTIONAL
>
3A2R62
2.2K
<
<
(Y
3A2063
NN
2N697
S
3A2R35
<22K
COMPENSATION
ADJUSTMENT
SEE
ADJUSTMENT
PROCEDURE
NO.
6
AT
64,B
3A2CReI
HORTING
SWITCH
ele
>
2TBI-3
$
3A2R24
<
<1.5M
<
G
$
3A2R58
<
47
4
MA
REGU
W3i-B
ATOR
REFE
RENCE
VOLTAGE
3A2CR7
INI773
Ι2ΣΙΝ
3A2R64
BALANCE
4
ADJUSTMENT
FOR
MA
REGULATOR
SEE
ADJUSTMENT
>
>
>
PROCE
DURE
NO5
<
À
Es
AT
64,8
FILAMENT
VOLTAGE
ADJUSTMENT
SEE
ADJUSTMENT
PROCEDURE
NO.6—
*
|
5
>
65+0Ww
W32-A
3A2R6I
2.2
K
Çİ
IIN5059
2
3A2R28
2
IOK
>
JA2R30
50
K
y
342022
OL
MED
M
WII-A
3A2CR23
7
IN5059
TO
3A2026
2NI67IB
À
PRIMAR
4
ING
AND
MET
ERING
|
1
συ
0-55
КУР
ТО
GROUND
L
A
T
.
O
Ion
100
W
SLIDER
INITIALLY
SET
FOR
IO-
OHMS
TEST
CIRCUIT FOR
PROCEDURE
6
INSERT
INTO
CKT
AT
12,F.
TO
GATE
OF
3A2CRI6
AT
.26,E
SIGNAL
TO
TURN
ON
SCR
3A2CRI6
IN
THE
FILAMENT
TRANSFORMER
CIRCUIT
TO
3TBI-12
AT
27,E
CRZO
IN
TO
GATE
OF
3A2CR20
AT
27,D
SIGNAL
TO
TURN
ON
SCR
THE
FILAMENT
TRANSFORMER
CIRCUIT
TO
INPUT
OF
VARO
BRIDGE
3A2CR6
AT
26,D
}
REVISIONS
PRINTS
TO
|
MAE
av
1
о
om
me
oe
eo
«ть
23596-
041
İç
ON
SHEET
56
|
57
58
59
60
61
62 63
64
66

Related product manuals