EasyManua.ls Logo

GE APN08 Series - Schematics and Wiring Diagrams

GE APN08 Series
26 pages
To Next Page IconTo Next Page
To Next Page IconTo Next Page
To Previous Page IconTo Previous Page
To Previous Page IconTo Previous Page
Loading...
– 22 –
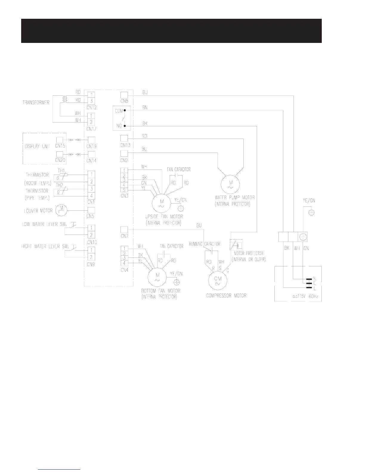
Schematics and Wiring Diagrams
1L
N

Related product manuals