EasyManua.ls Logo

GE Profile PSB42LSRBV - Page 59

GE Profile PSB42LSRBV
72 pages
Print Icon
To Next Page IconTo Next Page
To Next Page IconTo Next Page
To Previous Page IconTo Previous Page
To Previous Page IconTo Previous Page
Loading...
– 59 –
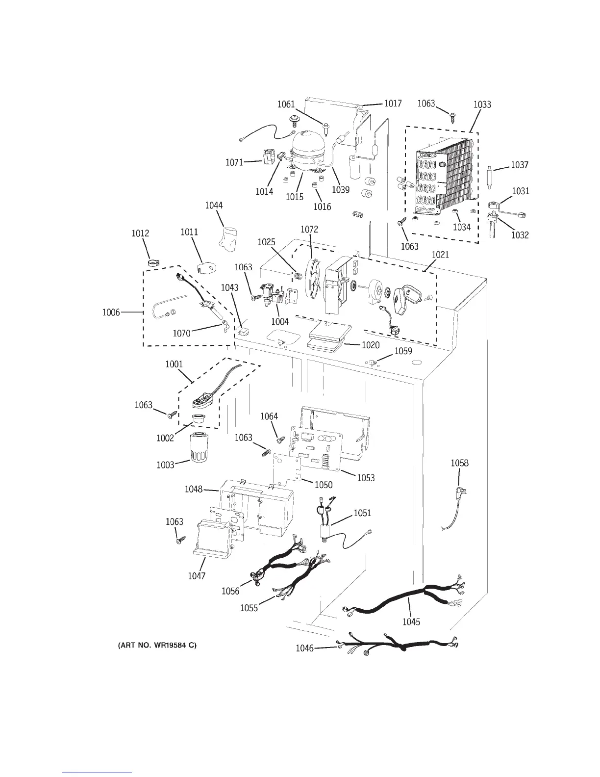
PSB42LSRBV Shown

Other manuals for GE Profile PSB42LSRBV

Related product manuals