EasyManua.ls Logo

Gehl RT175 - Controller 1 - Model RT175; RT210 with Interim Tier 4 Engines

Gehl RT175
280 pages
Print Icon
To Next Page IconTo Next Page
To Next Page IconTo Next Page
To Previous Page IconTo Previous Page
To Previous Page IconTo Previous Page
Loading...
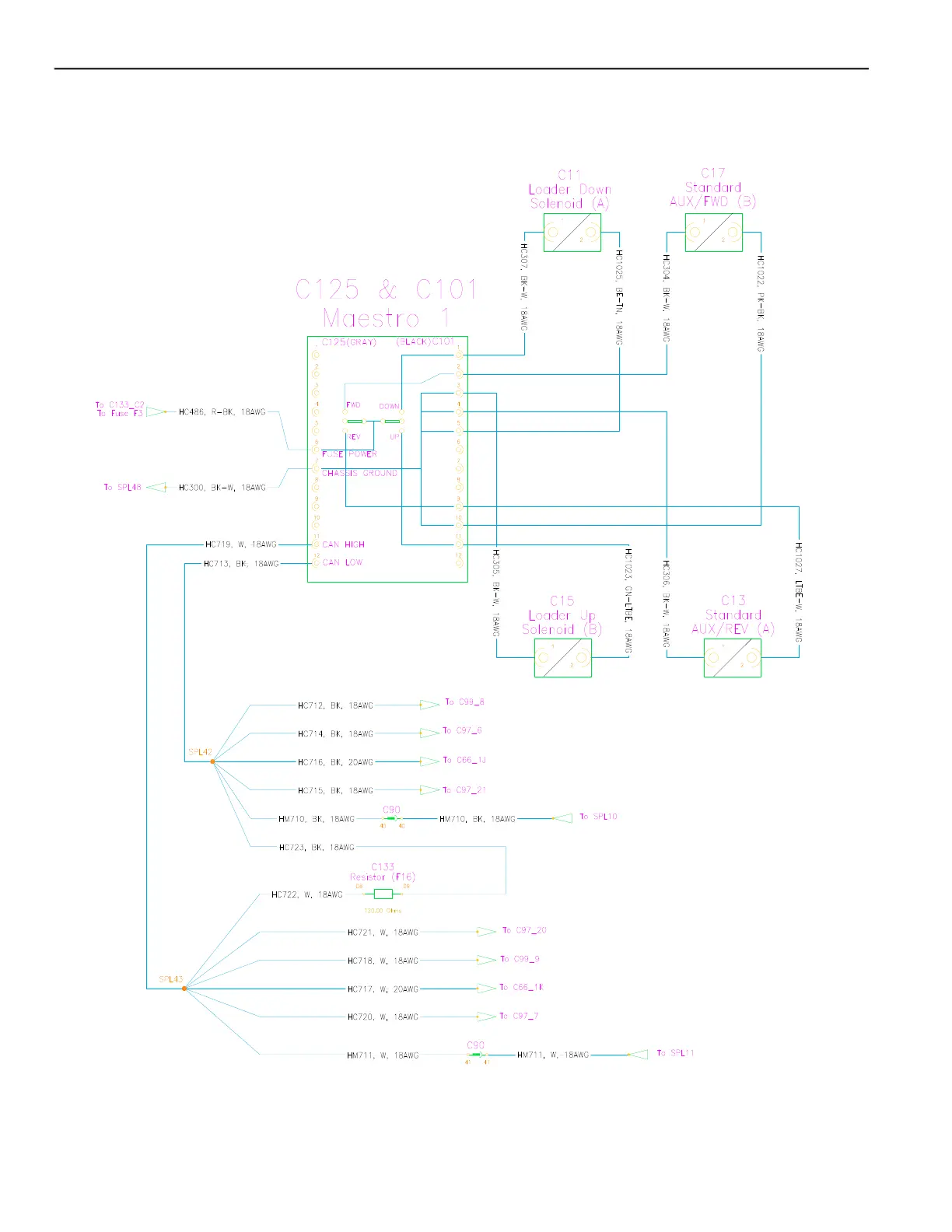
Schematics
50940411/G0219 244 Printed in U.S.A.
Controller 1 – Model RT175 / RT210 with interim Tier 4 Engines
page 241
page 242
page 243
page 240
page 252
page 240
page 252
page 243
page 243
page 243
page 242
page 241

Table of Contents

Related product manuals