EasyManua.ls Logo

Generac Power Systems GH-410

Generac Power Systems GH-410
104 pages
To Next Page IconTo Next Page
To Next Page IconTo Next Page
To Previous Page IconTo Previous Page
To Previous Page IconTo Previous Page
Loading...
25
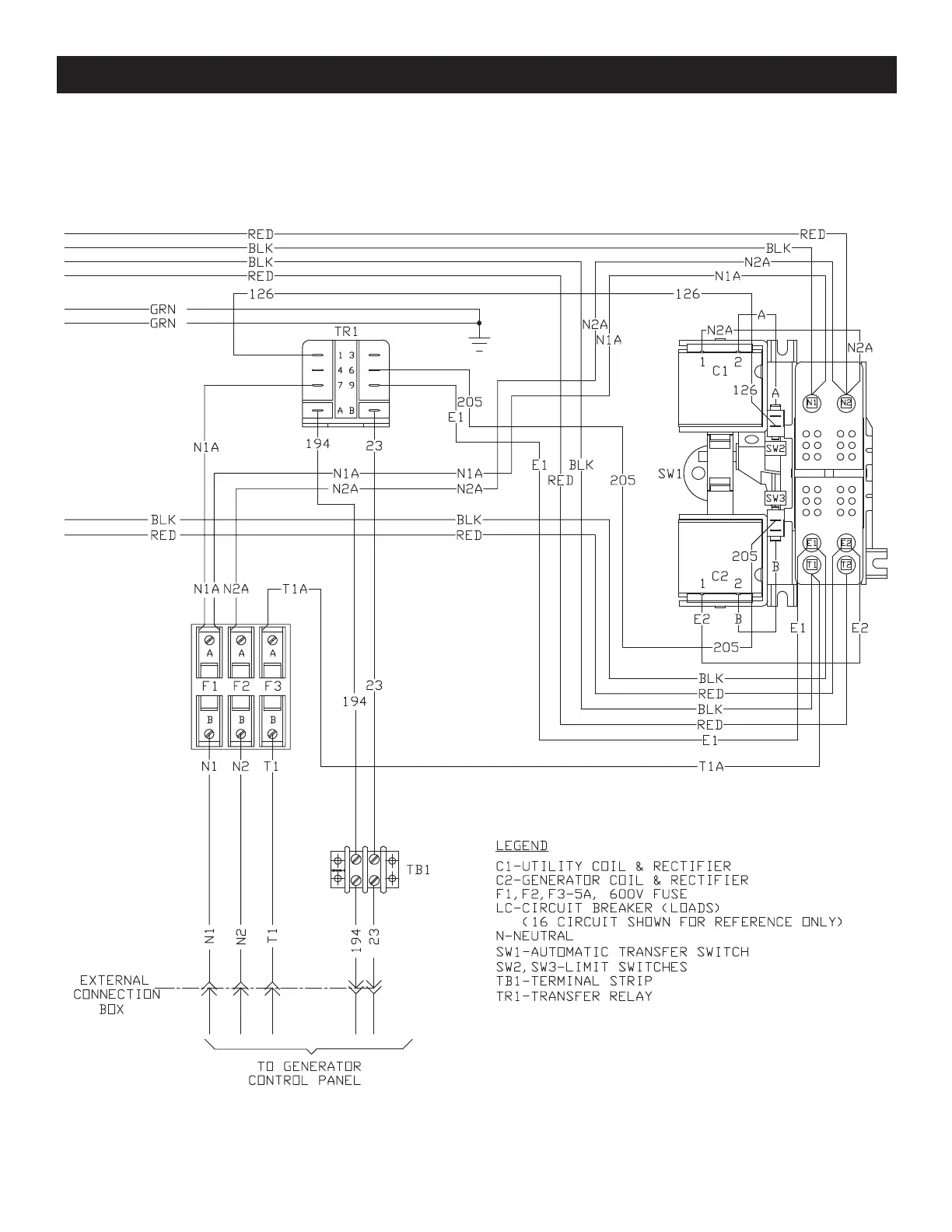
Wiring Diagram/Schematic - Drawing No. 0H6385-A Electrical Data

Table of Contents

Other manuals for Generac Power Systems GH-410

Related product manuals