EasyManua.ls Logo

Genesys GL3520 - GL3520;GL3521 Co-Layout Notice

Genesys GL3520
26 pages
Print Icon
To Next Page IconTo Next Page
To Next Page IconTo Next Page
To Previous Page IconTo Previous Page
To Previous Page IconTo Previous Page
Loading...
USB 3.0 Hub Design Guide
© 2015 Genesys Logic, Inc. - All rights reserved. Page 19
GLI Confidential
2.9 GL3520/GL3521 Co-Layout Notice
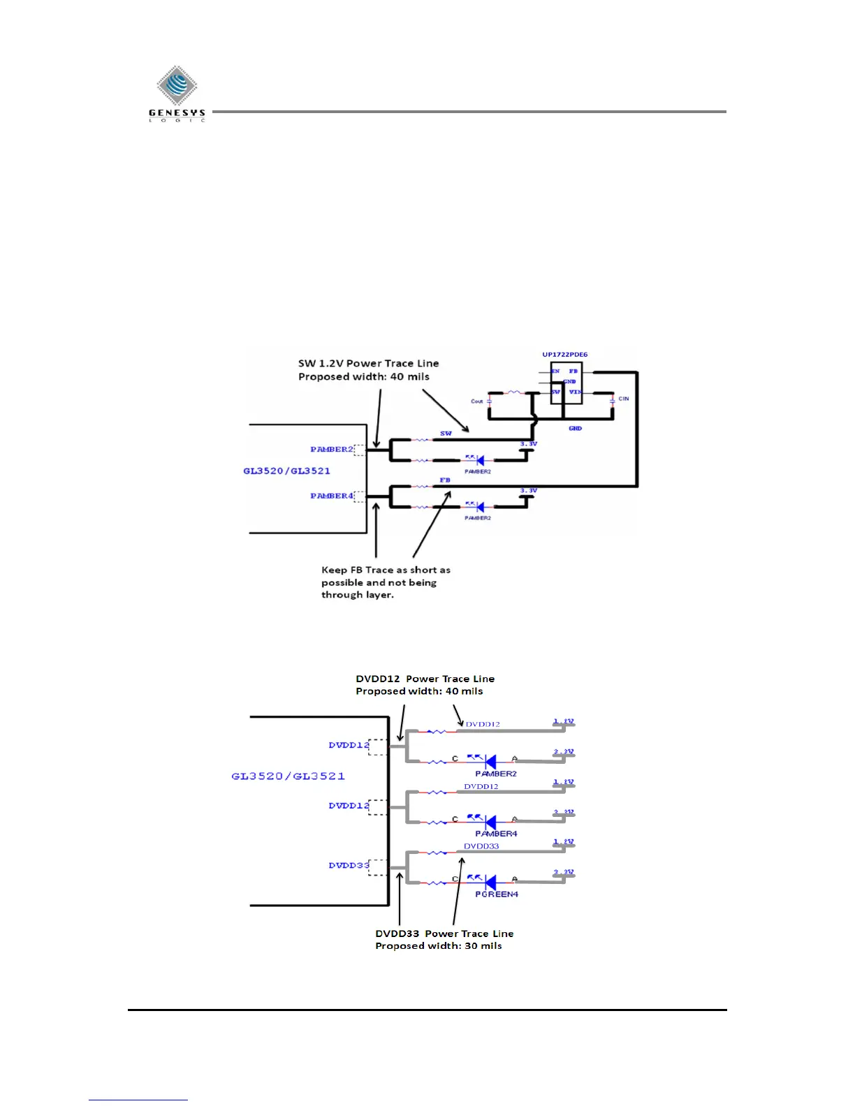
1. The layout trace diagram of 1.2V DC/DC converter is described as Fig. 2.18. Please route the
UP1722PDE6 power trace first, and then place GPIO (PAMBER#). The width of SW 1.2V power
trace line is recommended to be 40 mils. The trace of FB is recommended to be as short as possible,
and not to be routed through the layer of EMI protection. There is large current passing though the
pin 2 of UP1722PDE6. This pin has to be connected with the ground of C
IN
and C
OUT
, and the trace
has to be wide. Increase the amount of via holes at the ground of pin 2. Increase via holes at the
ground connected with C
IN
, C
OUT
, and the pin 2 of UP1722PDE6, and widen the trace. Please also
refer to Section 3.4 Power Source for more information.
2. The layout trace diagram of 1.2V or 3.3V power trace is described as Fig. 2.19. Please route the
power trace first, and then place GPIO (PAMBER#). The width of DVDD12 power trace line is
recommended to be 40 mils, and the width of DVDD33 power trace line is to be 30 mils.
Figure 2.18
Figure 2.19