EasyManua.ls Logo

Genesys GL3520 - 4 Esd Protection; Hub; Hub with External Charger IC

Genesys GL3520
26 pages
Print Icon
To Previous Page IconTo Previous Page
To Previous Page IconTo Previous Page
Loading...
USB 3.0 Hub Design Guide
© 2015 Genesys Logic, Inc. - All rights reserved. Page 26
GLI Confidential
4. ESD PROTECTION
4.1 Hub
It is suggested to add ESD protection component (ex. TVS) between the connector and IC to provide better
ESD protection. (as shown in Fig. 4.1)
Figure 4.1
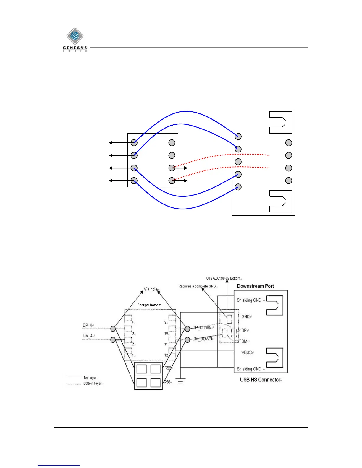
4.2 Hub with External Charger IC
Fig. 4.2 shows the suggested layout guide if the external charger IC is implemented for battery charging
function.
Figure 4.2
USB SS Connector
Shielding GND
Shielding GND
VBUS
DP
DM
GND
I/O 4
RXN_DS#
I/O 3
I/O 2
I/O 1
I/O 6
GND
I/O 5
AZ1065-06Q
RXN
RXP
TXN
TXP
GND
VBUS
RXP_DS#
TXN_DS#
TXP_DS#
DP_DS#
DM_DS#