EasyManua.ls Logo

GF ER 52 - Page 17

GF ER 52
Print Icon
To Next Page IconTo Next Page
To Next Page IconTo Next Page
To Previous Page IconTo Previous Page
To Previous Page IconTo Previous Page
Loading...
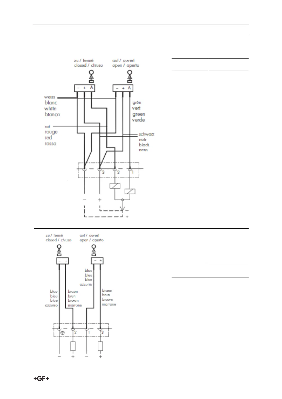
Bedienungsanleitung Elektrische Anschlüsse
15
Typ Code
ER 53-3 199 190 294
ER 53-4 199 190 295
Typ Code
ER 52-5 199 190 309

Table of Contents

Related product manuals