EasyManua.ls Logo

Goodman GPH13 - 3-PHASE HKR3** HEAT KIT - 15 KW & 20 KW

Goodman GPH13
47 pages
Print Icon
To Next Page IconTo Next Page
To Next Page IconTo Next Page
To Previous Page IconTo Previous Page
To Previous Page IconTo Previous Page
Loading...
44
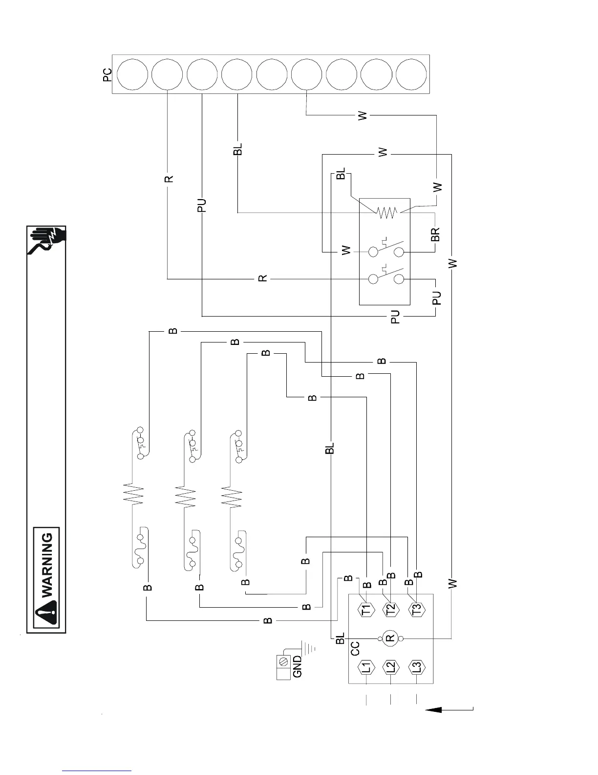
WIRING DIAGRAMS
HIGH VOLTAGE!
DISCONNECT ALL POWER BEFORE SERVICING OR INSTALLING THIS
UNIT. MULTIPLE POWER SOURCES MAY BE PRESENT. FAILURE TO
DO SO MAY CAUSE PROPERTY DAMAGE, PERSONAL INJURY OR DEATH.
3-PHASE HKR3** HEAT KIT - 15 KW & 20 KW
GPC/GPH13[36-60]M23*
B17579-19
M3
M4
M2
M1
RS
1
2
3
5
7
8
9
6
4
CIRCUIT 2
3 PH. 208-240V
FL HTR3 TL
FL HTR2 TL
FL HTR1 TL

Table of Contents

Related product manuals