EasyManua.ls Logo

Goodman GPH13 - 3-PHASE HKR4 HEAT KIT - 20 KW

Goodman GPH13
47 pages
Print Icon
To Next Page IconTo Next Page
To Next Page IconTo Next Page
To Previous Page IconTo Previous Page
To Previous Page IconTo Previous Page
Loading...
46
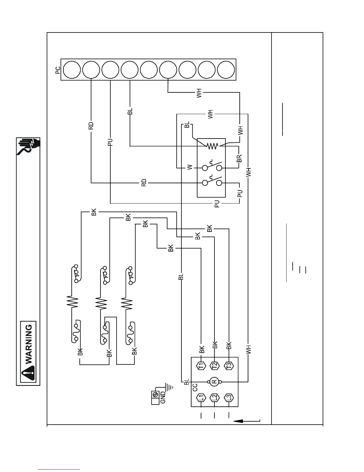
WIRING DIAGRAMS
HIGH VOLTAGE!
DISCONNECT ALL POWER BEFORE SERVICING OR INSTALLING THIS
UNIT. MULTIPLE POWER SOURCES MAY BE PRESENT. FAILURE TO
DO SO MAY CAUSE PROPERTY DAMAGE, PERSONAL INJURY OR DEATH.
3-PHASE HKR4 HEAT KIT - 20 KW
GPH13[48-60]M24*
WIRE CODE
PU PURPLE
PK PINK
OR ORANGE
GR GREEN
BR BROWN
BL BLUE
BK BLACK
COMPONENT CODE
TL
RS
HTR HEAT ELEMENT
THERMAL LIMIT
RELAY/SEQUENCER
TLHTR1FL
TLHTR2FL
TLHTR3FL
3 PH. 460V
CIRCUIT 2
4
6
9
8
7
5
3
2
1
RS
M1
M2
M4
M3
HKR4-20
0140K00148 Rev. A

Table of Contents

Related product manuals