EasyManua.ls Logo

Graco 015.050-DP - REPAIR OF THE VALVE SEATS

Graco 015.050-DP
53 pages
Print Icon
To Next Page IconTo Next Page
To Next Page IconTo Next Page
To Previous Page IconTo Previous Page
To Previous Page IconTo Previous Page
Loading...
- 26 - B.6.20.44-B
F22.060.02, issued on 01.98
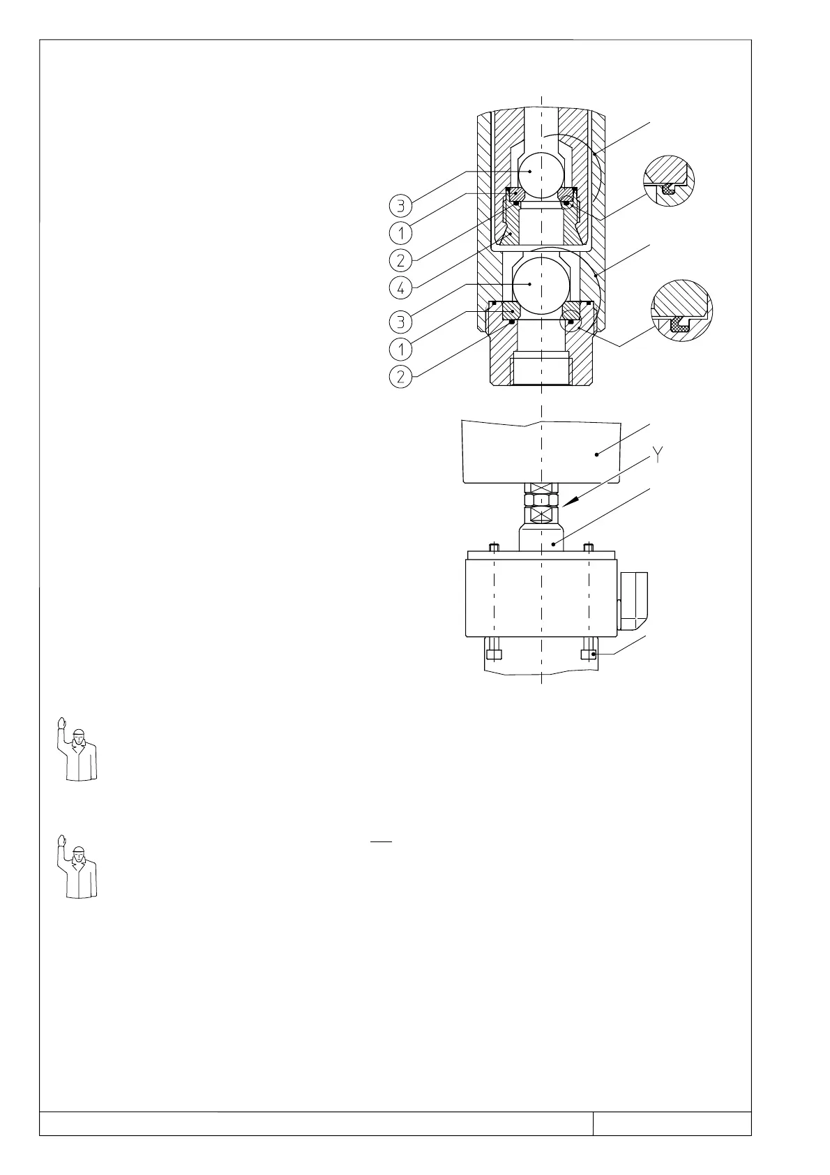
REPAIR OF THE VALVE SEATS
The valve seats 1 are made in such a
way that if one side is worn, they can be
turned over and replaced.
If the profile sealing rings
2 underneath
the seats are worn (clear deformation)
they should be replaced. Care should be
taken with the mounting position in this
case.
Each reciprocating pump has a set of
profile sealing rings supplied loose with
it.
Whether the valve balls
3 can be used
again depends on the state of their wear.
Since this is difficult to assess, we
recommend that the balls should be
replaced.
The taper of the banjo bolt
4 serves to
lock in position during operation
When assembling, the banjo bolt should be screwed in tightly, then loosened and then again
tightened securely.
When loosening, it should be established whether the breakaway torque is clearly above the
tightening torque.
The running surface of the piston may not be used as a hold during maintenance and repair
work. The "Y" key areas are used for this which for technical reasons are located at the top
end of the step piston.
After loosening the cheese head screws (connection to the air motor), access can be gained
to the air motor.
Suction
valve
Decant
valve
Air
motor
Cylinder
screws
Step
piston

Related product manuals