EasyManua.ls Logo

Graco 17C325 - Page 35

Graco 17C325
44 pages
Print Icon
To Next Page IconTo Next Page
To Next Page IconTo Next Page
To Previous Page IconTo Previous Page
To Previous Page IconTo Previous Page
Loading...
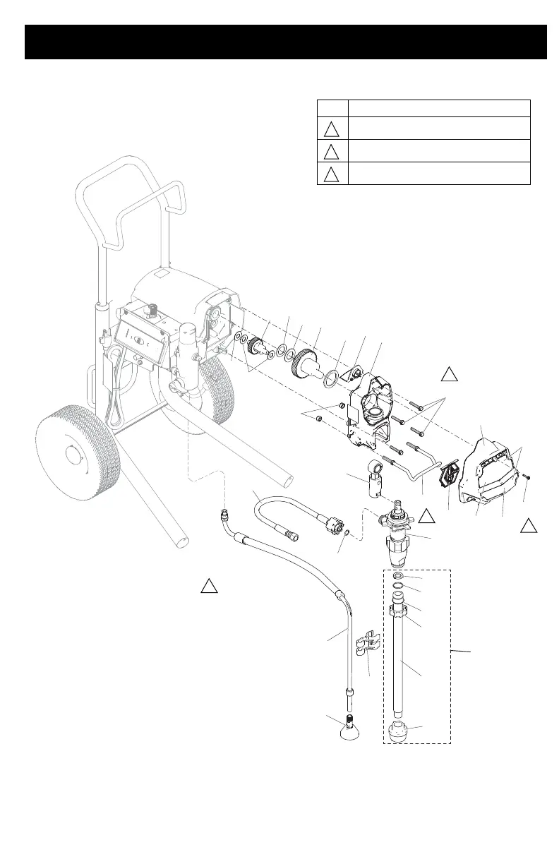
Sprayer Parts
334641E 35
43
41
132
45
13
55
39
60
57
14
84
69
76
62
ti35155b
42
117
47
22
52
52a 138
139
70
105
107
40
25
44
1
9
10
8
2
3
1
4
Ref. Torque
140-160 in-lb (15.8 - 18.1 N•m)
30-35 in-lb (3.4 - 4.0 N•m)
23-27 in-lb (2.6 - 3.1 N•m)
1
2
3

Related product manuals