EasyManua.ls Logo

Graco 190ES 309063F - Wiring Diagrams for 120 Vac Models

Graco 190ES 309063F
28 pages
To Next Page IconTo Next Page
To Next Page IconTo Next Page
To Previous Page IconTo Previous Page
To Previous Page IconTo Previous Page
Loading...
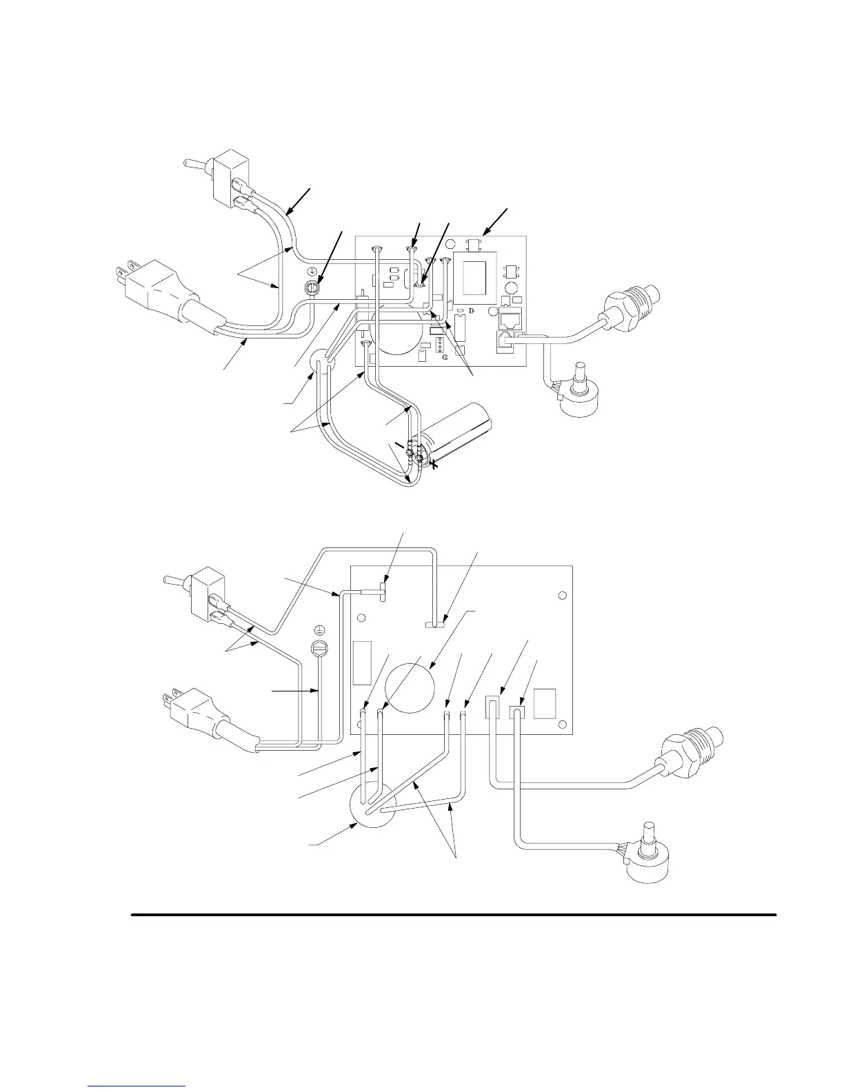
15309063
On/Off Switch Replacement
120 Vac
Pressure
T ransducer
ON/OFF
Switch
Power
Plug
Potentiometer
from Motor
Red (+)
Wiring Diagram
Yellow
White
Black
Black (--)
Capacitor
TI0060
Green
Fig. 11
L2 L1
60
35
34
(Capacitor on Motor)
Wiring Diagram
(Capacitor on PC board)
232900, A, B
232901, A
233797, A
233815, A
232900, C, D, E,
232901, B, C, D
233797, B, C, D
233815, B, C, D
Pressure
T ransducer
ON/OFF
Switch
Power
Plug
Potentiometer
from Motor
Capacitor
Black
Green
White
Yellow
Black (--)
Red (+)
N
L
M+ M--
TO1 TO2
J7
J8
ti2159a

Related product manuals