EasyManua.ls Logo

Graco REACTOR E-30 - Equipment Misuse Hazard; Burn Hazard; Toxic Fluid or Fumes Hazard; Personal Protective Equipment

Graco REACTOR E-30
10 pages
Print Icon
To Next Page IconTo Next Page
To Next Page IconTo Next Page
To Previous Page IconTo Previous Page
To Previous Page IconTo Previous Page
Loading...
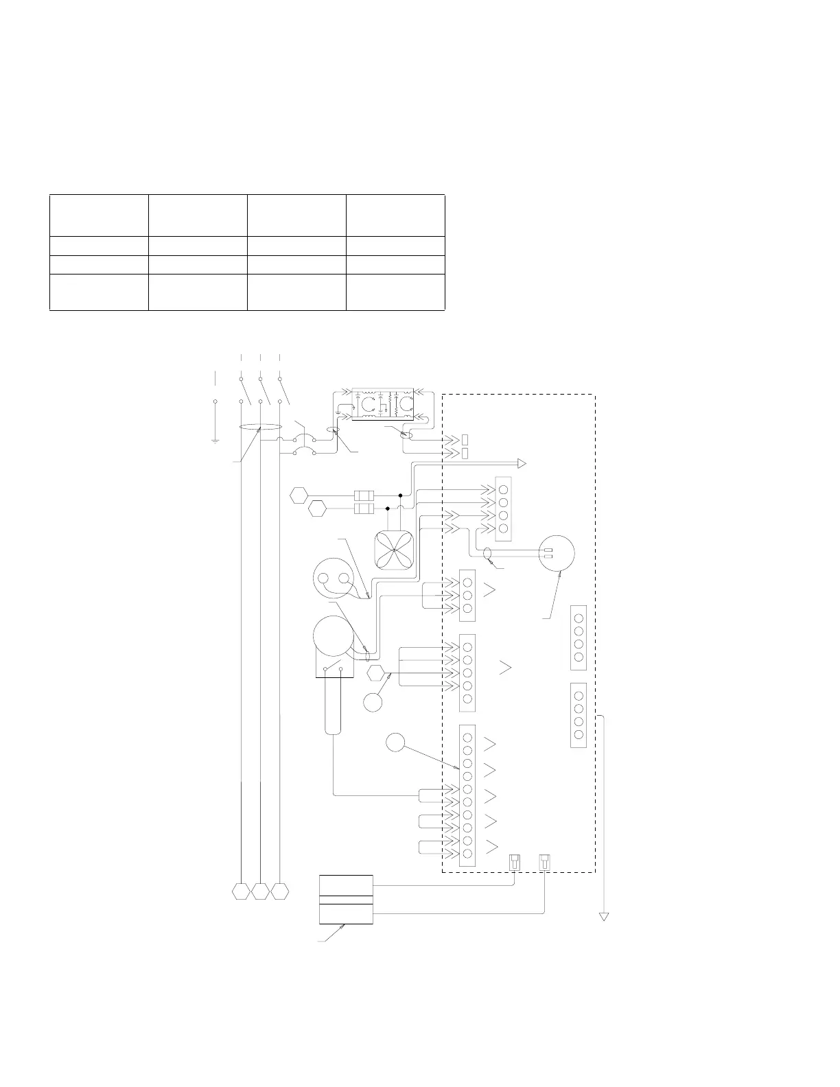
Detailed Schematic, Power Connections and Motor Controls
6 309731E
Detailed Schematic, Power Connections and
Motor Controls
Part No. Model
Voltage
(phase)
Full Load
Peak Amps
246035 E-30 230V (3) 50
246036 E-XP2 230V (3) 62
248658 E-30 with
15.3KW
230V (3) 62
}
OVER PRESS SW A
OVER PRESS SW B
J5
SPARE
CYCLE SWITCH
SPARE
J3
4
AUX
RS-485
REMOTE
RS485
3 BRUSH WEAR
THERMAL
OVERLOAD
3
2
1
J12
4
3
2
1
J10
100
101
102
103
104
105
106
107
108
109
110
111
112
113
114
115
116
117
118
119
120
121
123
124
125
126
127
128
129
130
131
132
133
134
135
136
137
138
139
140
141
142
143
144
145
146
147
148
149
4COM
PRESSURE
TRANSDUCER
150150
PRESSURE
TRANSDUCER
A
6
B
1440
1430
1420
1410
10
9
7
8
1400
1390
5
4
3
2
1
J7
5COM
20A
CYCLE
SWITCH
NO
MOTOR
L3
L2
L2
PUMP
107
YEL 1280
ORG 1270
BLU 1260
BRN 1250
207
FAN
1220
1210
1200
J13
2B
3A
1+12
2
1
1091
J6
246196 PUMP CONTROL
CIRCUIT BOARD
1071
N
L
+
-
150
150
2A
FU113
2A
FU112
1130
1120
CONNECTION
-POWER-
OPTIONAL
DATA REPORTING
246122
3 MOTOR +
4 MOTOR -
1 CAP -
2 CAP +
J1
1131
1140
1170
1160
CONNECTION
OPTIONAL
DATA REPORTING
246122
GND
L3
T2 T3T1
L1
150
L3
L2
L1
L2 L3
HARNESS
117674
HARNESS
15B385
HARNESS
15B382
HARNESS
15B379
MOTOR
HARNESS
INDUCCTOR
15C007
HARNESS
15B408
20
22
MANIFOLD
BLOCK

Other manuals for Graco REACTOR E-30

Related product manuals