EasyManua.ls Logo

Graco REACTOR E-30 - Before Beginning Repair; Flushing

Graco REACTOR E-30
10 pages
Print Icon
To Next Page IconTo Next Page
To Next Page IconTo Next Page
To Previous Page IconTo Previous Page
To Previous Page IconTo Previous Page
Loading...
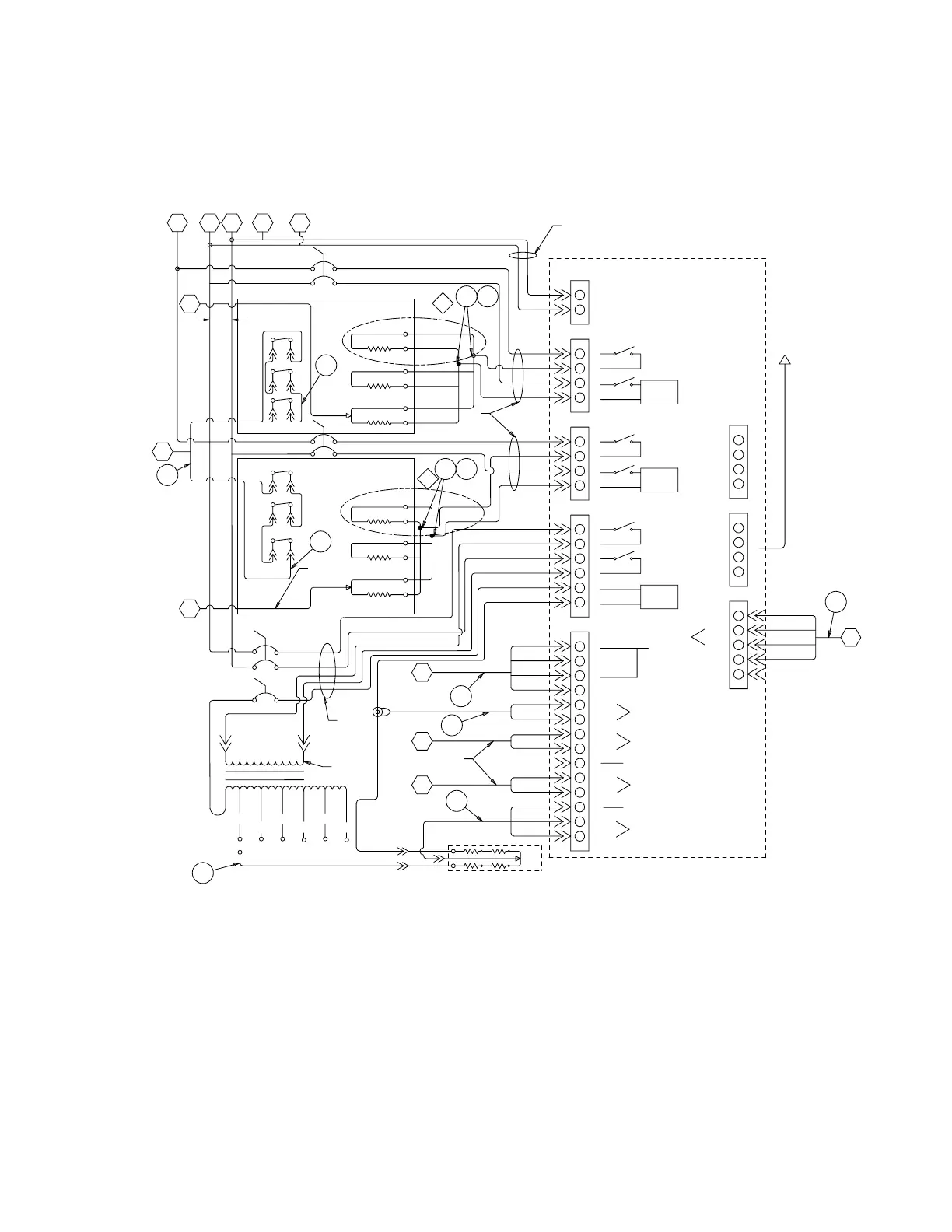
Detailed Schematic, Heater Controls
309731E 7
Detailed Schematic, Heater Controls
* Only E-XP2 and E-30, with 15.3KW of heat, Models
use 3 heaters per side.
** E-30 Models use 25A heater circuit breakers; E-XP2
and E-30, with 15.3KW of heat, Models use 40A.

















































]
4
6!
42!.3&/2-%2
6
!
#/-
6


,
,
#"


,
,

/4!
23

42!.3&/2-%2
6
6


#"






4#!




'.$


4#(/3%




4#"
'.$







/4"



#522%.4
/4!
*
#/-

"
!
#/-
'2.
2%$
7(4
",+

23
!58
*
*
#)2#5)4
#)2#5)4
#)2#5)4
(%!4%2"
.#
4#"
7
(%!4%2!
(%!4%2!
#"
.#
!
.#
.#
4#!
7


7






3#2
*





*
3#2
3#2

*
2%-/4%
*
6!#
,
 

4%-0%2!452%
#/.42/,#)2#5)4"/!2$
#"


,
,
*
7
(%!4%2!
.#
7
(%!4%2"
(%!4%2"
7
.#
6
6

#/..%#4)/.
/04)/.!,
$!4!2%0/24).'



(%!4%$(/3%
&43

,
,
,
,
,
,
!
).253(
,)-)4%2




3%.3/2

3%.3/24#

(!2.%33
"
6
02)-!29


 
 

(!2.%33
(!2.%33
"

+
+
**
*
*
**
40A

Other manuals for Graco REACTOR E-30

Related product manuals