EasyManua.ls Logo

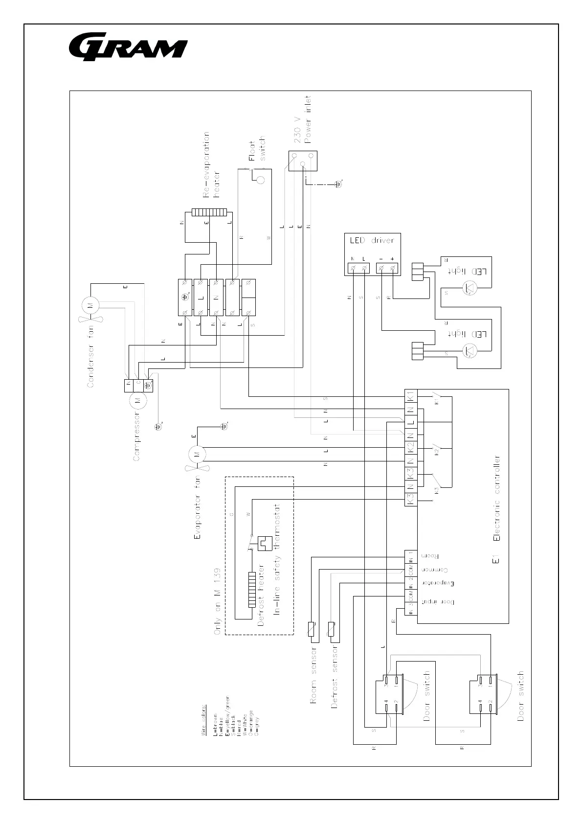
Gram Standard Plus - Wiring Diagram K;M 139

Gram Standard Plus
39 pages
Print Icon
To Next Page IconTo Next Page
To Next Page IconTo Next Page
To Previous Page IconTo Previous Page
To Previous Page IconTo Previous Page
Loading...
765042420 Rev.000 37
Wiring diagram K/M 139


Related product manuals