EasyManua.ls Logo

Grandaire WFAR080B048 - Page 16

Default Icon
58 pages
Print Icon
To Next Page IconTo Next Page
To Next Page IconTo Next Page
To Previous Page IconTo Previous Page
To Previous Page IconTo Previous Page
Loading...
INSTALLATION INSTRUCTIONS Gas Furnace: WFAR
16 440 01 7104 02
Specifications subject to change without notice.
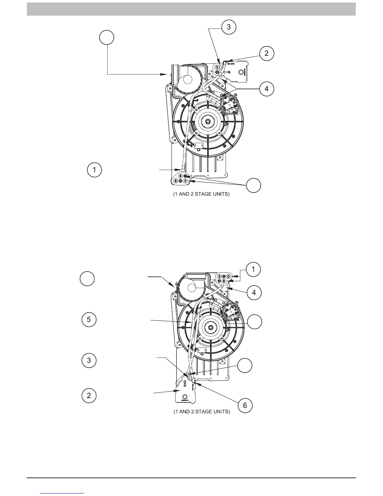
If alternate vent position
is required, loosen clamp
on vent elbow inlet.
Remove relief tube
from port on collector
box.
Remove the screw that secures the
condensate trap to the collector box
and remove trap.
Remove relief tube from
relief port on condensate
trap.
Remove front pressure
switch tube and discard.
A new tube is shipped in
the Loose Parts bag.
Remove middle and right
plug from collector box.
DO NOT DISCARD.
5
6
Unconverted Factory Trap Configuration
As Viewed in the Horizontal Left Orientation
Rotate elbow to
desired position
and torque clamp
on inlet 15 lb.-in.
Slide relief tube in
stand-offs to adjust
length.
Attach condensate
trap with screw to
collector box.
Align trap over middle
and right-hand port on
collector box.
Install two plugs previously
removed in open ports on
collector box.
Connect relief tube to port
on collector box.
Connect the new pressure switch
tube from Loose Parts bag to port
on front pressure switch.
Route pressure switch tube
underneath relief tube and
connect to port on
collector box.
Connect relief tube to relief
port on condensate trap.
Horizontal Left Trap Configuration
9
7
8
NOTE: Remove knockout in
casing before re-installing the
condensate trap.
A11574
Figure 11 -- Horizontal Left Configuration
(Appearance may vary)

Related product manuals