EasyManua.ls Logo

Gree U-MATCH GUHD09NK3CO

Gree U-MATCH GUHD09NK3CO
264 pages
To Next Page IconTo Next Page
To Next Page IconTo Next Page
To Previous Page IconTo Previous Page
To Previous Page IconTo Previous Page
Loading...
A/A DC INVERTER U-MATCH AIR CONDITIONERS MAINTENANCE
136
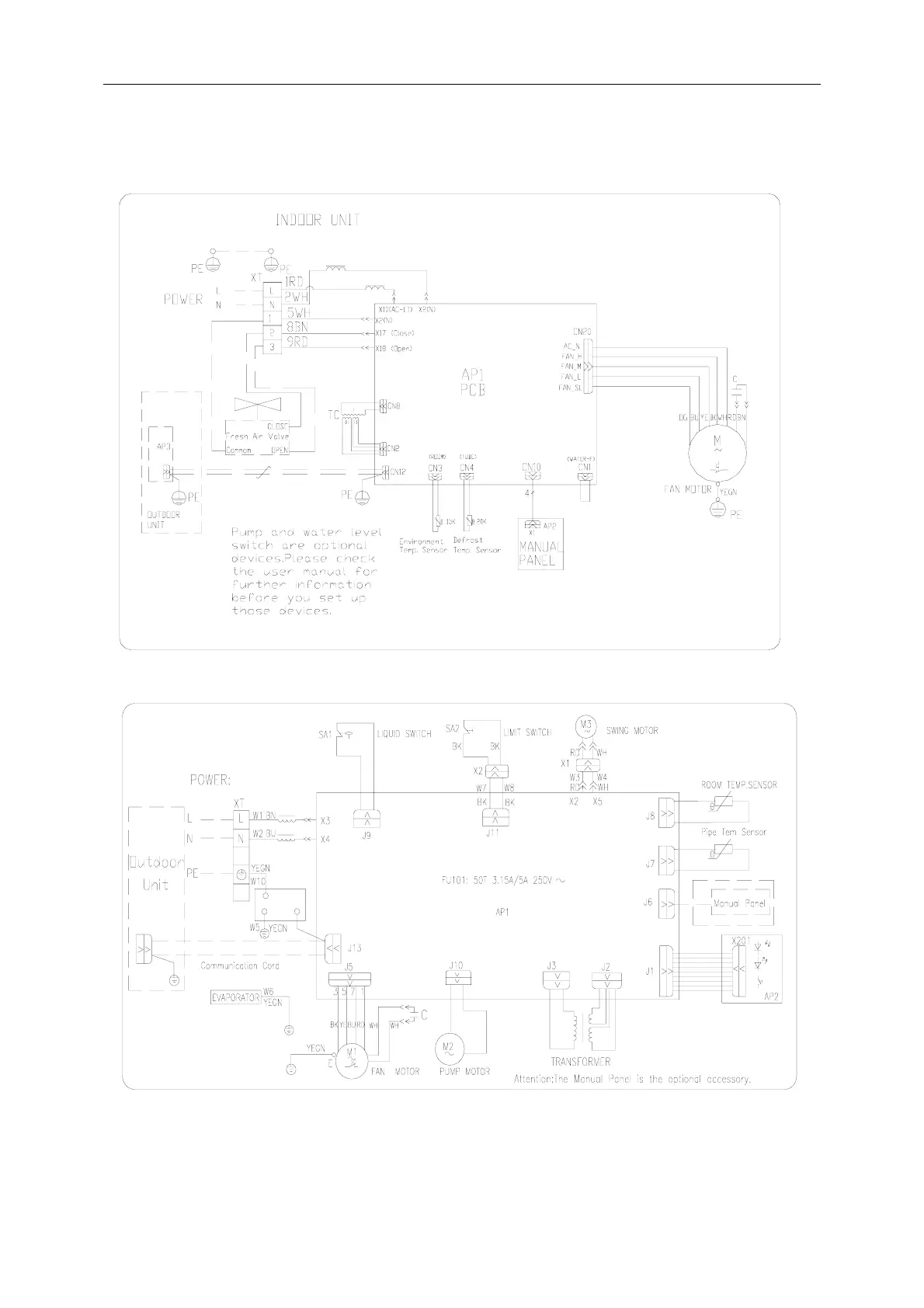
3.2 Indoor unit
The actual wiring should always refer to the wiring diagram of the unit.
Model:GFH09K3CI/GFH12K3CI/GFH18K3CI/GFH24K3CI/GFH30K3CI/GFH36K3CI/ GFH42K3CI/
GFH48K3CI/ GFH60K3CI
Model: GKH12K3CI /GKH18K3CI/ GKH30K3CI/ GKH36K3CI/ GKH42K3CI

Table of Contents

Related product manuals