EasyManua.ls Logo

Gree Versati III - Installation Measure

Gree Versati III
180 pages
Print Icon
To Next Page IconTo Next Page
To Next Page IconTo Next Page
To Previous Page IconTo Previous Page
To Previous Page IconTo Previous Page
Loading...
Air-to-water Heat Pump
29
MONOBLOC
TYPE
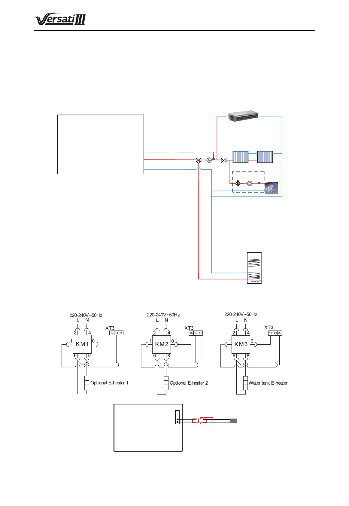
13. Optional Electric Heater
Optional electric heater is allowed for the equipment and controlled in such a way when outdoor temperature is
lower than the set point for startup of the optional electric heater.
Step 1. Optional electric heater installation
Optional electric heater should be installed with monobloc unit in series.Moreover,an accessory called optional
water temperature sensor(5 meter length) shall be installed at the same time.The optional electric heater could be
1group or 2 group, and only works fo space heating.
.
Water Tank
Mixing
Valve
Water Pump
Floor
Temp.
Tank Temp. of
Heatpump syst
em
3-Way
Valve 2
2-Way
Valve 1
Water Tank EH
Optional
Water Temp.
Sensor
Monobloc Unit
Optional
E-heater
Step 2. Electric wiring work
AC contactor shuould be installed to XT3 KM1(1 group electric heater) or KM1 and KM2(2 group electric heater).
Optional water temperature sensor connecet to AP1 CN16.
AP1
CN16
optional water temperature sens
or
Step 3. Wired controller setting
Optional electric heater should be selected "1/2" group if necessary from COMMISION
FUNCTION,then set

Table of Contents