EasyManua.ls Logo

Greenbridge PC1000 - Page 73

Default Icon
218 pages
Print Icon
To Next Page IconTo Next Page
To Next Page IconTo Next Page
To Previous Page IconTo Previous Page
To Previous Page IconTo Previous Page
Loading...
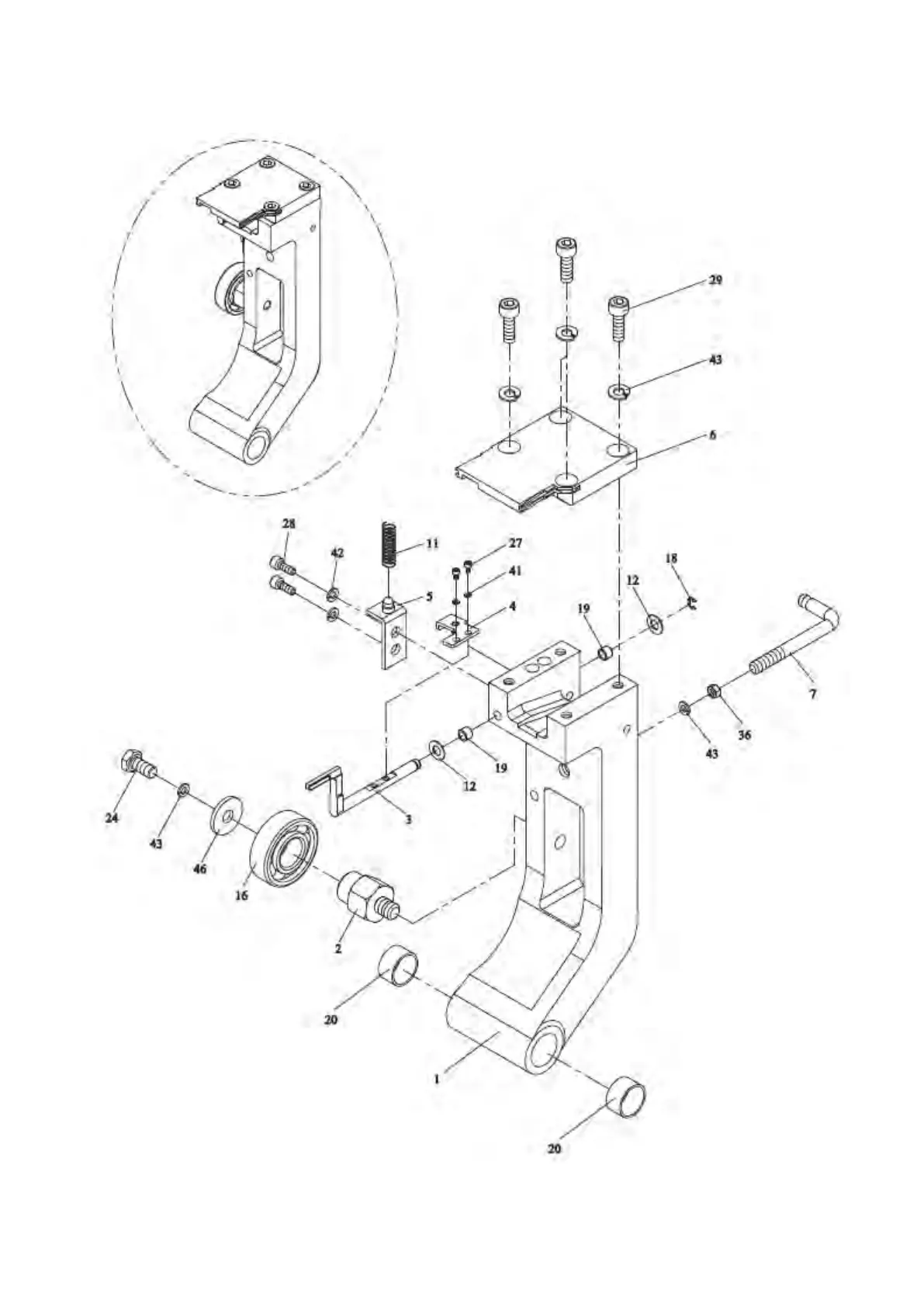
1-1-3 SLIDE TABLE FRAME ASS'Y M7-1-130000
-C11-