EasyManua.ls Logo

Grizzly G9983 - Main Motor Wiring Diagram

Grizzly G9983
60 pages
Print Icon
To Next Page IconTo Next Page
To Next Page IconTo Next Page
To Previous Page IconTo Previous Page
To Previous Page IconTo Previous Page
Loading...
Model G9983 (Mfg. Since 8/09)
-43-
READ ELECTRICAL SAFETY
ON PAGE 40!
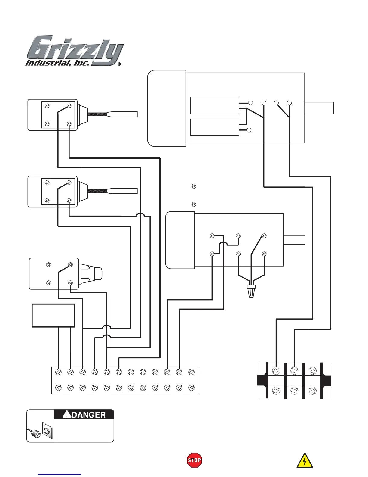
Model G9983
Wiring Diagram - 220 Volt Single Phase
12 13 3 3 5 5 U2
V2
W2
EMERGENCY STOP
LIMIT SWITCH
Disconnect power from machine
before performing any electrical
service. Failure to do this will result
in a shock hazard leading to injury
or death.
!
MAIN MOTOR
FEED BELT MOTOR
3
4
2
1
6
3
2
5
4
1
5
1
6
4
2
1
U1
V1
W1
3
4
2
1
3
4
2
1
BELT
LIMIT
SWITCH
Starting 250VAC
Capacitor 800MFD
Running 350VAC
Capacitor 50UF-U
SOLENOID
VALVE

Table of Contents

Other manuals for Grizzly G9983

Related product manuals