EasyManua.ls Logo

Grunbeck GENODOS-Pump GP - Technical Specifications

Grunbeck GENODOS-Pump GP
84 pages
Print Icon
To Next Page IconTo Next Page
To Next Page IconTo Next Page
To Previous Page IconTo Previous Page
To Previous Page IconTo Previous Page
Loading...
Technical specifications
72 | 84
BA-118940_en_035_GENODOS
-GP.docx
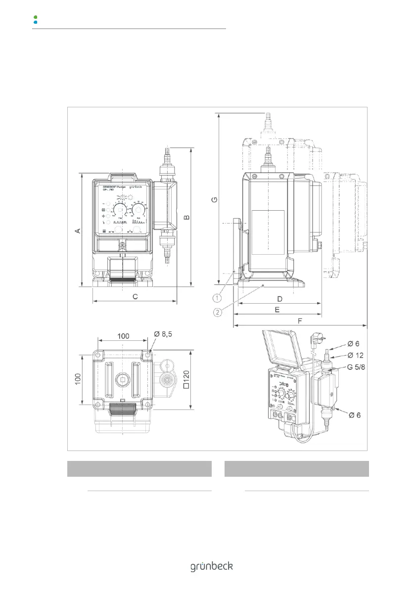
12 Technical specifications
Designation
1
Base plate wall mounting
Designation
2
Base plate floor mounting