EasyManua.ls Logo

Grundfos DDI 150-4

Grundfos DDI 150-4
632 pages
To Next Page IconTo Next Page
To Next Page IconTo Next Page
To Previous Page IconTo Previous Page
To Previous Page IconTo Previous Page
Loading...
Español (ES)
125
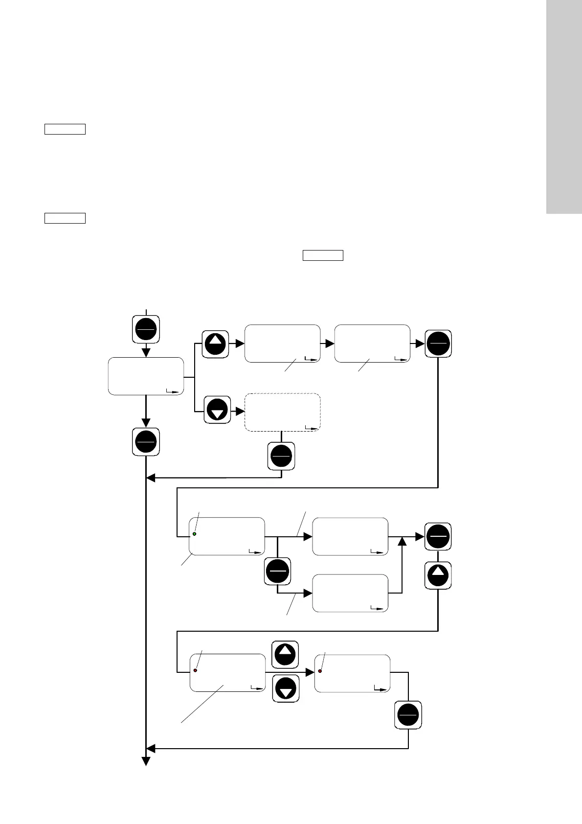
9.6 Calibración
La visualización del régimen de flujo se ajusta de forma predeter-
minada para una contrapresión de funcionamiento de 3 bar.
La calibración se puede utilizar para ajustar el flujo de la bomba a
las condiciones de funcionamiento reales.
Calibre la bomba en condiciones normales de funcionamiento
con la línea de descarga conectada y a contrapresión de funcio-
namiento.
"OFF CAL" aparece en la pantalla.
1. Pulse el botón "Up".
– "- - -" y "CAL" (parpadeando) aparecen en la pantalla.
2. Espere hasta que "ON" y "CAL" (sin parpadear) apparezcan
en la pantalla.
– "ON CAL" aparece en la pantalla.
3. Pulse el botón "Start/Stop".
– Se inicia la calibración. El LED parpadea en verde y "Run"
parpadea en la pantalla.
En forma predeterminada se realizan 200 carreras. El número
de carreras realizadas aparece en la pantalla.
Pulse "Start/Stop" para detenerse en cualquier valor de
carrera.
– El LED se ilumina en rojo.
4. Pulse el botón "Start/Stop".
Se visualiza el valor de calibración de corriente (no con placas de
circuito de reposición).
5. Utilice los botones "Up" y "Down" para introducir los valores
de calibración (volumen graduado en ml).
Pulse el botón "Menu/Info" (confirme el ajuste y proceda con
el siguiente elemento del menú), o
pulse el botón "Start/Stop" (confirme el ajuste y cierre del
segundo nivel de funciones).
Fig. 30 Calibración
Nota
Con compensación de flujo activada (consulte
la sección
4.4.4 Compensación de flujo):
cuando el fluido tiene una viscosidad diferente a la
del agua o después de una actualización del soft-
ware, se debe calibrar la bomba. Luego de una
actualización de software "cal" parpadea en la panta-
lla.
Nota
El volumen dosificado debe graduarse en litros
durante la calibración, por ejemplo extrayendo
el líquido dosificador de un depósito graduado.
Nota
El proceso de calibración no cambia el ajuste para la
atribución/ponderación de la entrada y salida de
corriente para el régimen de flujo.
Si se utiliza una entrada o salida de corriente, com-
probar después de la calibración para determinar si
se requiere una ponderación de corriente nueva.
TM03 6678 4506
red LED
red LED
Down
Up
Stop
Start
Stop
Start
Stop
Start
OFF
Up
Down
CAL
- - -
CAL
Menu
Info
Menu
Info
Menu
Info
Menu
Info
OFF
CAL
99
Run
CAL
200
Stop
CAL
87
Stop CAL
1315
Stop
CAL
ml
1295
Stop
CAL
On
CAL
Up
Intermitente
LED verde parpadeando Procesar 200 carreras
Parada manual en un número de
carreras definido por el usuario
Valor de calibración de fábrica, calculado para número de
carreras de calibración real
Entrada de volumen de calibración
real verificado
Intermitente
Espere hasta que se muestre
ON CAL (sin parpadear)
LED rojo
LED rojo

Table of Contents

Related product manuals