EasyManua.ls Logo

Grundfos DDI 150-4

Grundfos DDI 150-4
632 pages
To Next Page IconTo Next Page
To Next Page IconTo Next Page
To Previous Page IconTo Previous Page
To Previous Page IconTo Previous Page
Loading...
Français (FR)
173
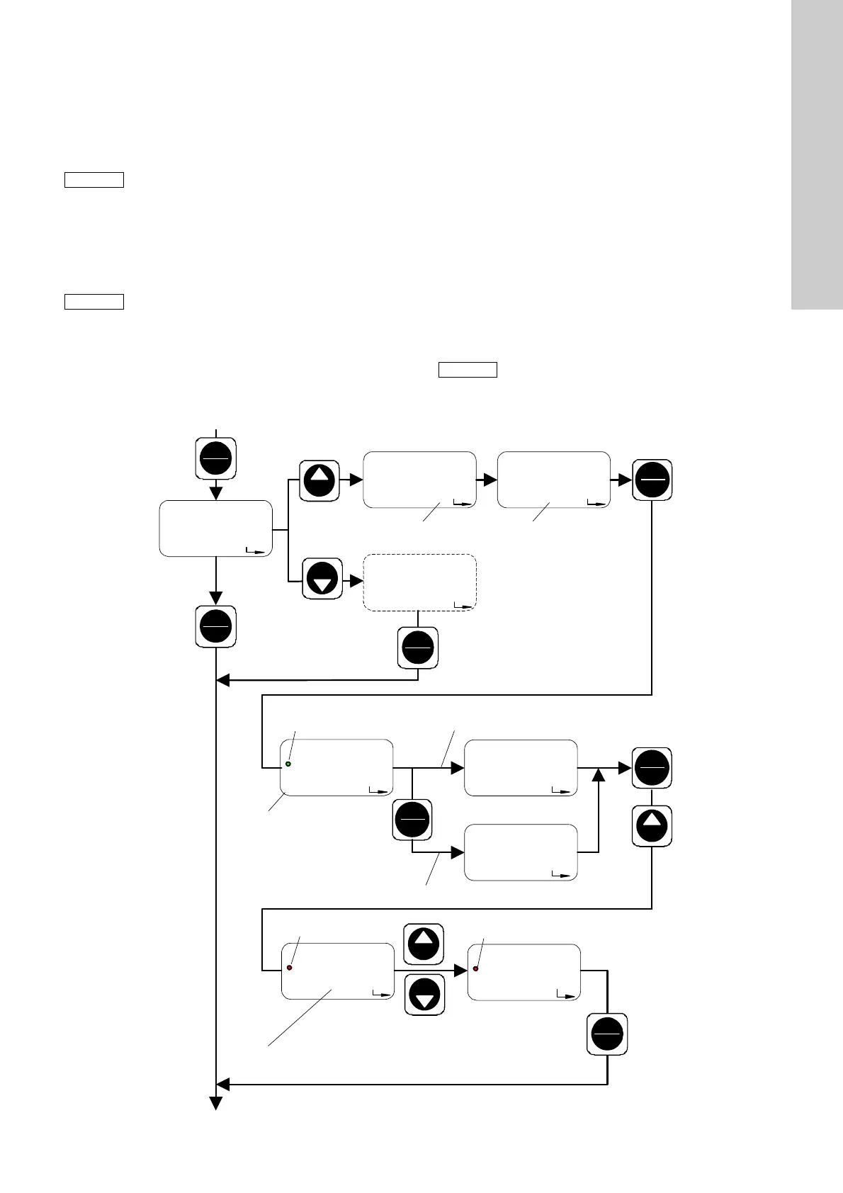
9.6 Calibrage
L'affichage du débit de dosage est paramétré par défaut pour une
contre-pression de fonctionnement de 3 bars. Le calibrage peut
permettre de régler le débit de la pompe selon les conditions de
fonctionnement réelles.
Calibrer la pompe dans des conditions de fonctionnement nor-
males, avec conduit de refoulement branché et contre-pression
de fonctionnement.
"OFF CAL" s'affiche à l'écran.
1. Appuyer sur "Up".
– "- - -" et "CAL" clignotent à l'écran.
2. Attendre que "ON" et "CAL" s'affichent à l'écran sans cligno-
ter.
– "ON CAL" s'affiche à l'écran.
3. Appuyer sur "Start/Stop".
– Mise en marche du calibrage. La diode DEL verte clignote et
"Run" clignote à l'écran.
200 courses sont exécutées par défaut. Le nombre de courses
exécutées s'affiche à l'écran.
Appuyer sur "Start/Stop" pour arrêter à n'importe valeur de
course.
– Diode DEL rouge.
4. Appuyer sur "Start/Stop".
La valeur de calibrage actuelle s'affiche (pas avec des cartes de
circuits imprimés de remplacement).
5. Saisir la valeur de calibrage avec "Up" et "Down"
(volume jaugé en ml).
Appuyer sur "Menu/Info" (confirmer le réglage et passer à
la rubrique suivante du menu), ou
appuyer sur "Start/Stop" (confirmer le réglage et fermer
le second niveau de fonction).
Fig. 30 Calibrage
Nota
Avec compensation de débit activé (voir paragr.
4.4.4 Compensation de débit) :
Avec les produits d'une viscosité différente de celle
de l'eau ou après une mise à niveau du logiciel, la
pompe doit être calibrée. Après une mise à niveau
du logiciel, "cal" clignote à l'écran.
Nota
Le volume dosé doit être jaugé en litres durant le
calibrage, par ex. en tirant du produit de dosage du
réservoir jaugé.
Nota
Le processus de calibrage ne modifie pas le réglage
de l'assignation/de la pondération d'entrée et de sor-
tie de courant pour le débit.
Si une entrée ou une sortie est utilisée, vérifier après
le calibrage si une nouvelle pondération du courant
est nécessaire.
TM03 6678 4506
red LED
red LED
Down
Up
Stop
Start
Stop
Start
Stop
Start
OFF
Up
Down
CAL
- - -
CAL
Menu
Info
Menu
Info
Menu
Info
Menu
Info
OFF
CAL
99
Run
CAL
200
Stop
CAL
87
Stop CAL
1315
Stop
CAL
ml
1295
Stop
CAL
On
CAL
Up
Clignote
Diode DEL verte clignote Traitement 200 courses
Arrêt manuel au nombre de
courses défini par l'utilisateur
Valeur du calibrage de production - calculé pour le nombre de
courses réelles
Entrée du volume de calibrage réel établi
Clignote
Attendre que "ON CAL"
s'affiche à l'écran sans
clignoter.
Diode DEL rouge
Diode DEL rouge

Table of Contents

Related product manuals