EasyManua.ls Logo

Grundfos DDI 150-4

Grundfos DDI 150-4
632 pages
To Next Page IconTo Next Page
To Next Page IconTo Next Page
To Previous Page IconTo Previous Page
To Previous Page IconTo Previous Page
Loading...
Italiano (IT)
221
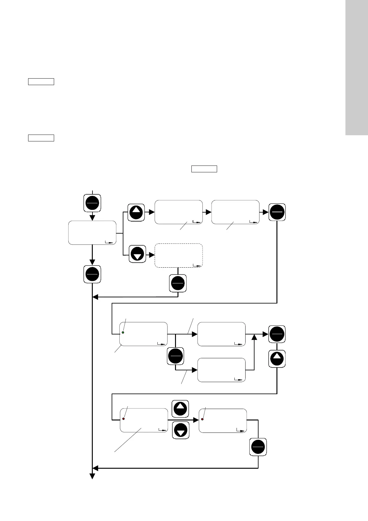
9.6 Calibrazione
Il display della portata di dosaggio è impostato per default a una
contropressione di esercizio di 3 bar. La calibrazione può essere
usata per impostare la portata della pompa in base alle effettive
condizioni operative.
Calibrare la pompa in condizioni di funzionamento normali con
il condotto di scarico collegato e in presenza di contropressione
di esercizio.
Sul display appare la scritta "OFF CAL".
1. Premere il tasto "Up".
– appaiono nel display "- - -" e "CAL" (lampeggiante).
2. Aspettare fino a che "ON" e "CAL" (non lampeggiante) appa-
iono sul display.
– Sul display appare la scritta "ON CAL".
3. Premere il tasto "Start/Stop".
– La calibrazione si avvia. Il LED lampeggia verde e nel
display lampeggia la scritta "Run".
Vengono eseguite 200 corse per postazione predefinita.
Il numero di corse eseguite appare nel display.
Premere "Start/Stop" per arrestare il funzionamento con qual-
siasi numero di corse.
– Il LED si illumina di rosso.
4. Premere il tasto "Start/Stop".
Viene visualizzato il valore della calibrazione corrente
(non con schede di circuito sostitutive!).
5. Usare i tasti "Up" e "Down" per inserire il valore della calibra-
zione (volume misurato in ml).
Premere il tasto "Menu/Info" (confermare l'impostazione e
passare alla prossima voce del menù), o
premere il tasto "Start/Stop" (confermare l'impostazione e
chiudere il secondo livello di funzionamento).
Fig. 30 Calibrazione
Nota
Con compensazione di flusso attivata (vedere
sezione
4.4.4 Compensazione del flusso):
Quando si dosano sostanze con una viscosità diffe-
rente da quella dell'acqua o al seguito di un aggior-
namento software, la pompa deve venire ricalibrata.
Dopo un aggiornamento software, "cal" lampeggia
sul display.
Nota
La quantità dosata deve essere misurata in litri
durante la calibrazione, cioè aspirando il fluido
di dosaggio da un serbatoio calibrato.
Nota
Il processo di calibrazione non cambia l'impostazione
per l'assegnazione/ponderazione della corrente di
ingresso e uscita per la portata.
Se si usano la corrente di ingresso o di uscita, verifi-
care dopo la calibrazione per stabilire se è necessa-
ria una nuova ponderazione della corrente.
TM03 6678 4506
red LED
red LED
Down
Up
Stop
Start
Stop
Start
Stop
Start
OFF
Up
Down
CAL
- - -
CAL
Menu
Info
Menu
Info
Menu
Info
Menu
Info
OFF
CAL
99
Run
CAL
200
Stop
CAL
87
Stop CAL
1315
Stop
CAL
ml
1295
Stop
CAL
On
CAL
Up
Lampeggiante
LED verde lampeggiante Processo di 200 corse
Arresto manuale con un numero
di corse definito dall'utente
Valore della calibrazione di fabbricazione - calcolato per
il numero di corse della calibrazione reale
Immissione del volume di
calibrazione reale accertato
Lampeggiante
Attendere fino a che
non appare ON CAL
(non lampeggiante)
LED rosso
LED rosso

Table of Contents

Related product manuals