EasyManua.ls Logo

Grundfos DDI 150-4

Grundfos DDI 150-4
632 pages
To Next Page IconTo Next Page
To Next Page IconTo Next Page
To Previous Page IconTo Previous Page
To Previous Page IconTo Previous Page
Loading...
Nederlands (NL)
269
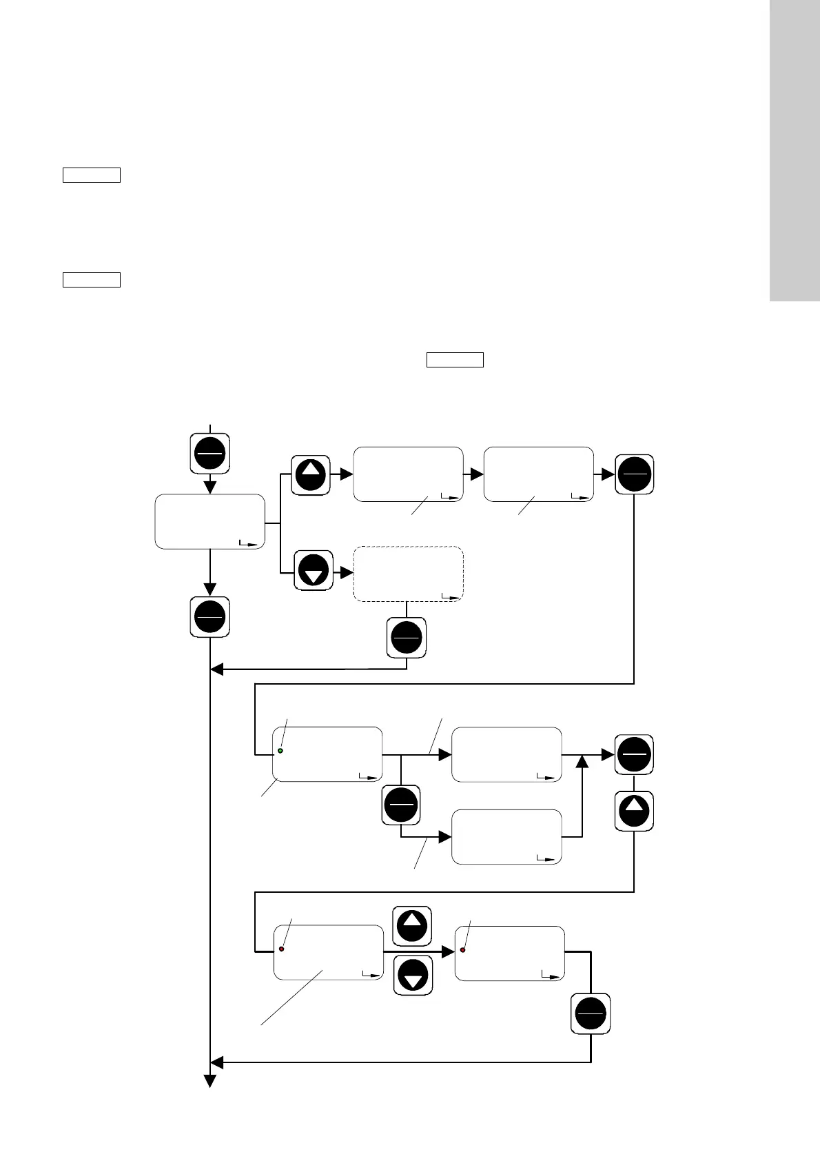
9.6 Kalibratie
Het doseerdoorstromingsdisplay wordt standaard ingesteld voor
een bedrijfstegendruk van 3 bar. Kalibratie kan worden gebruikt
om de pompdoorstroming in te regelen op de daadwerkelijke
bedrijfsomstandigheden.
Kalibreer de pomp onder normale bedrijfsomstandigheden terwijl
de persleiding is aangesloten en bij bedrijfstegendruk.
"OFF CAL" verschijnt in het display.
1. Druk op de "Omhoog" knop.
– "- - -" en "CAL" (knipperend) verschijnen in het display.
2. Wacht totdat "ON" en "CAL" (niet knipperend) in het display
verschijnen.
– "ON CAL" verschijnt in het display.
3. Druk op de "Start/Stop" knop.
– De kalibratie wordt gestart. De LED knippert groen en "Run"
knippert in het display.
Standaard worden 200 slagen uitgevoerd. Het aantal uitge-
voerde slagen verschijnt in het display.
Druk op "Start/Stop" om bij een willkeurig aantal slagen te
stoppen.
– De LED gaat rood branden.
4. Druk op de "Start/Stop" knop.
De huidige kalibratiewaarde wordt weergegeven (niet bij vervan-
gende printplaten!).
5. Gebruik de "Omhoog" en "Omlaag" knoppen om de kalibratie-
waarde in te voeren (gemeten volume in ml).
Druk op de "Menu/Info" knop (bevestig de instelling en ga naar
het volgende menu-item), of
druk op de "Start/Stop" knop (bevestig de instelling en sluit het
tweede functieniveau).
Afb. 30 Kalibratie
N.B.
Met geactiveerde doorstromingscompensatie
(zie paragraaf
4.4.4 Doorstromingscompensatie):
Bij het doseren van media met een andere viscositeit
dan die van water, of na een software-update, moet de
pomp worden gekalibreerd. Na een software update
knippert "cal" in het display.
N.B.
Het gedoseerde volume moet worden gemeten in liters
tijdens de kalibratie, bijv. door het doseermedium uit
een tank met maatverdeling te pompen.
N.B.
Het kalibratieproces wijzigt niet de instelling voor de
toekenning/weging van de stroomingang en uitgang
voor de doorstroming.
Wanneer een stroomingang of -uitgang wordt
gebruikt, controleer dan na de kalibratie om te bepa-
len of een nieuwe weging nodig is.
TM03 6678 4506
red LED
red LED
Down
Up
Stop
Start
Stop
Start
Stop
Start
OFF
Up
Down
CAL
- - -
CAL
Menu
Info
Menu
Info
Menu
Info
Menu
Info
OFF
CAL
99
Run
CAL
200
Stop
CAL
87
Stop CAL
1315
Stop
CAL
ml
1295
Stop
CAL
On
CAL
Up
Knippert
Groene LED knippert Verwerkt 200 slagen
Handmatige stop bij door de
gebruiker bepaald aantal slagen
Waarde van productie kalibratie - berekend voor slagaantal van
actuele kalibratie
Invoer van actueel geverifieerd
kalibratievolume
Knippert
Wacht totdat "ON CAL"
(niet knipperend) wordt
weergegeven
Rode LED
Rode LED

Table of Contents

Related product manuals