EasyManua.ls Logo

Grundfos DDI 150-4

Grundfos DDI 150-4
632 pages
To Next Page IconTo Next Page
To Next Page IconTo Next Page
To Previous Page IconTo Previous Page
To Previous Page IconTo Previous Page
Loading...
Polski (PL)
317
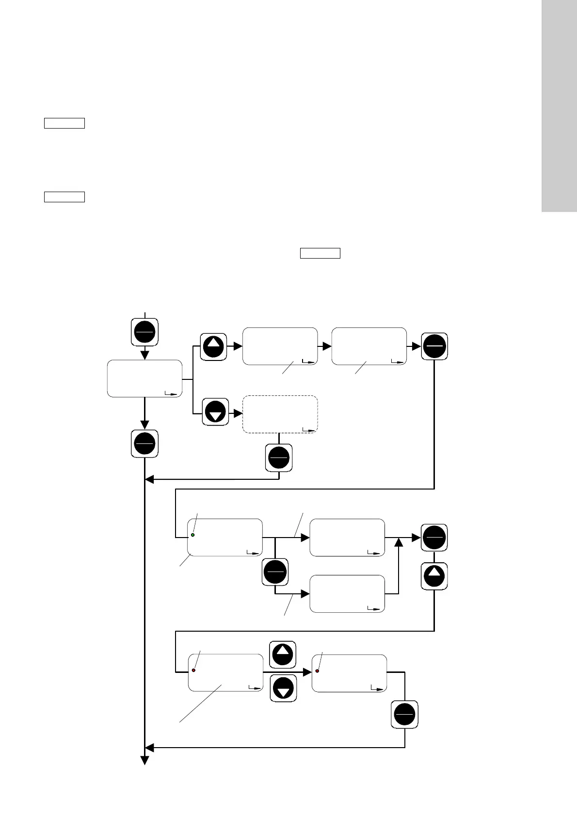
9.6 Kalibracja
Wskazanie natężenia dozowania jest ustawione standardowo dla
przeciwciśnienia roboczego równego 3 bar. Operacja kalibracji
może być wykorzystana do ustalenia przepływu przez pompę
w rzeczywistych warunkach pracy.
Przeprowadzić kalibrację pompy w normalnych warunkach pracy
z podłączoną linią tłoczenia przy roboczym przeciwciśnieniu.
Na wyświetlaczu pojawia się "OFF CAL" (kalibracja wył.).
1. Wciśnij przycisk "Up".
– Na wyświetlaczu pojawia się "- - -" i "CAL" (migające).
2. Odczekaj, aż na wyświetlaczu pojawi się "ON" i "CAL"
(nie migające).
– Na wyświetlaczu pojawia się "ON CAL" (kalibracja zał.).
3. Wciśnij przycisk "Start/Stop".
– Kalibracja została rozpoczęta. Dioda LED błyska na zielono
a na wyświetlaczu miga napis "Run".
Standardowo wykonywanych jest 200 skoków.
Liczba wykonanych skoków pojawia się na wyświetlaczu.
•Wciśnij "Start/Stop", aby zatrzymać proces po dowolnej liczbie
skoków.
– Dioda LED świeci na czerwono.
4. Wciśnij przycisk "Start/Stop".
Wyświetlana jest aktualna wartość
kalibracji (nie po wymianie
płytek drukowanych!).
5. Do wprowadzenia nowej wartości kalibracji użyj przycisków
"Up" i "Down" (objętość mierzona w ml).
•Wciśnij przycisk "Menu/Info" (potwierdzenie nastawienia
iprzejście do następnej pozycji menu ), albo
•wciśnij przycisk "Start/Stop" (potwierdzenie nastawienia
izamknięcie drugiego poziomu funkcji).
Rys. 30 Kalibracja
RADA
Przy uaktywnionej kompensacji przepływu (patrz
rozdział
4.4.4 Kompensacja przepływu):
Podczas dozowania mediów o lepkości innej niż
lepkość wody, lub po aktualizacji oprogramowania,
pompę trzeba wykalibrować. Po aktualizacji
oprogramowania na wyświetlaczu miga napis "cal".
RADA
Podczas kalibracji dozowana objętość musi być
mierzona w litrach, np. poprzez wyciąganie
dozowanego medium z wyskalowanego zbiornika.
RADA
Proces kalibracji nie zmienia ustawienia
przeznaczenia/obciążenia wejścia i wyjścia
prądowego dla natężenia przepływu.
Jeśli używane jest wejście i wyjście prądowe,
po kalibracji sprawdzić, czy nie jest wymagane
ponowne obciążanie.
TM03 6678 4506
red LED
red LED
Down
Up
Stop
Start
Stop
Start
Stop
Start
OFF
Up
Down
CAL
- - -
CAL
Menu
Info
Menu
Info
Menu
Info
Menu
Info
OFF
CAL
99
Run
CAL
200
Stop
CAL
87
Stop CAL
1315
Stop
CAL
ml
1295
Stop
CAL
On
CAL
Up
Miganie
Zielona dioda LED błyska Proces wykonywania 200 skoków
Ręczne zatrzymanie po liczbie
skoków określonej przez
użytkownika
Wartość kalibracji fabrycznej - obliczona dla liczby skoków
wykonanej podczas kalibracji
Wprowadzenie rzeczywistej objętości
ustalonej podczas kalibracji
Miganie
Odczekaj, aż wyświetli się
ON CAL (nie migające)
Czerwona dioda LED
Czerwona dioda LED

Table of Contents

Related product manuals