EasyManua.ls Logo

Grundfos DDI 150-4

Grundfos DDI 150-4
632 pages
To Next Page IconTo Next Page
To Next Page IconTo Next Page
To Previous Page IconTo Previous Page
To Previous Page IconTo Previous Page
Loading...
Svenska (SE)
461
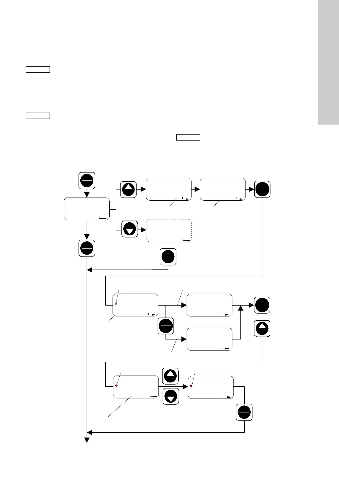
9.6 Kalibrering
Det visade doseringsflödet är standardinställt för ett driftsmot-
tryck på 3 bar. Kalibrering kan användas för att ställa in pump-
flödet efter rådande driftsförhållanden.
Kalibrera pumpen under normala driftsförhållanden med utlopps-
ledningen ansluten och vid driftsmottryck.
"OFF CAL" visas på displayen.
1. Tryck på knappen "Up".
– "- - -" och "CAL" (blinkande) visas på displayen.
2. Vänta tills "ON" och "CAL" (ej blinkande) visas på displayen.
– "ON CAL" visas på displayen.
3. Tryck på knappen "Start/Stop".
– Kalibreringen startar. Lysdioden blinkar grön och "Run" blin-
kar på displayen.
200 slag utförs som standard. Antalet utförda slag visas på
displayen.
Tryck på "Start/Stop" för att stoppa vid önskat slagvärde.
– Lysdioden lyser röd.
4. Tryck på knappen "Start/Stop".
Aktuellt kalibreringsvärde visas (ej med ersättningskretskort!).
5. Använd knapparna "Down" och "Up" för att ange kalibrerings-
värdet (uppmätt volym i ml).
Tryck på knappen "Menu/Info" (bekräfta inställningen och
vidare till nästa menypost) eller
tryck på knappen "Start/Stop" (bekräfta inställningen och
stäng den andra funktionsnivån).
Fig. 30 Kalibrering
Anm.
Med aktiverad flödeskompensering (se avsnitt
4.4.4 Flödeskompensering):
När medier med en viskositet som inte liknar
vattens doseras eller efter en uppdatering av
programvaran, måste pumpen kalibreras.
Efter en uppdatering av programvaran blinkar "CAL"
på displayen.
Anm.
Doseringsvolymen måste mätas i liter under kalibre-
ringen, t.ex. genom att doseringmediet tas från en
graderad behållare.
Anm.
Kalibreringsprocessen ändrar inte inställningen för
tilldelning/viktning av strömingången och strömut-
gången för flödet.
Kontrollera efter kalibrering huruvida en ny strömvikt-
ning krävs, om en strömingång eller strömutgång
används.
TM03 6678 4506
red LED
red LED
Down
Up
Stop
Start
Stop
Start
Stop
Start
OFF
Up
Down
CAL
- - -
CAL
Menu
Info
Menu
Info
Menu
Info
Menu
Info
OFF
CAL
99
Run
CAL
200
Stop
CAL
87
Stop CAL
1315
Stop
CAL
ml
1295
Stop
CAL
On
CAL
Up
Blinkar
Grön lysdiod blinkar Processar 200 slag
Manuellt stopp efter av användaren
angivet antal slag
Värde för fabrikskalibrering - beräknat för den aktuella kalibrering-
ens antal slag
Inmatning av verklig fastställd
kalibreringsvolym
Blinkar
Vänta tills "ON CAL"
(ej blinkande) visas
Röd lysdiod
Röd lysdiod

Table of Contents

Related product manuals