EasyManua.ls Logo

Grundfos DDI 150-4

Grundfos DDI 150-4
632 pages
To Next Page IconTo Next Page
To Next Page IconTo Next Page
To Previous Page IconTo Previous Page
To Previous Page IconTo Previous Page
Loading...
Türkçe (TR)
557
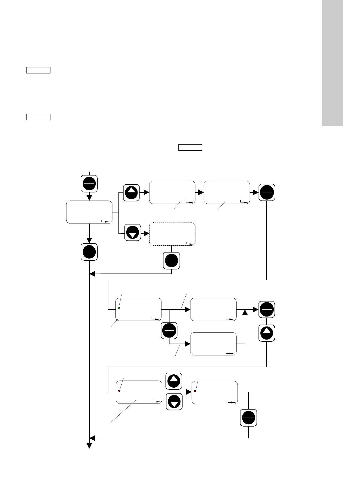
9.6 Kalibrasyon
3 bar çalışma karşı basıncı için dozaj debisi görüntüleme
varsayılan olarak ayarlanır. Mevcut çalışma koşullarına pompa
akışını ayarlamak için kalibrasyon kullanılabilir.
Basma hattı takılı olarak ve çalışma karşı basıncında normal
koşullarda pompada kalibrasyon yapın.
Ekranda "OFF CAL" ("Kal. Kapalı") yazısı görülür.
1. "Yukarı" düğmesine basın.
– Ekranda "---" ve "CAL" çıkar (yanıp söner şekilde).
2. Ekranda "ON" ve "CAL" (yanıp sönmeyen şekilde) yazmasını
bekleyin.
– Ekranda "ON CAL" ("Kalibrasyonık") yazısı görülür.
3. "Start/Stop" ("Başlat/Durdur") düğmesine basın.
– Kalibrasyon baş
latılır. LED yeşil yanıp söner ve ekranda
"Run" ("Çalışma") yazısı yanıp söner.
Fabrika ayarı olarak 200 strok gerçekleştirilir.
Gerçekleştirilen strok sayı sı ekranda görülür.
Strok değerini durdurmak için "Start/Stop" ("Başlat/Durdur")
ğmesine basın.
– LED kırmızı yanar.
4. "Start/Stop" ("Başlat/Durdur") düğmesine basın.
Kalibrasyon değeri görüntülenir (yedek devre kartlarında
görüntülenmez!).
5. Kalibrasyon değerini girmek için (ml olarak ölçülen hacim)
"Up" ve "Down" ("Yukarı" ve "Aşağı") ok düğmelerini kullanın.
"Menu/Info" ("Menü/Bilgi") düğmesine basın (ayarı onaylayın
ve bir sonraki menü öğesine geçin) veya
"Start/Stop" ("Başlat/Durdur") düğmesine basın (ayarı
onaylayın ve ikinci fonksiyon seviyesini kapat
ın).
Şekil 30 Kalibrasyon
Not
Debi dengeleme etkinleştirilince (bakınız bölüm
4.4.4 Debi kompansasyonu):
Vizkozitesi sudan farklı bir sıvı dozlanırken veya
yazılım güncelleştirmesinden sonra pompanın
kalibre edilmesi gerekir.
Yazılım güncelleştirmesinden sonra ekranda "cal"
yanıp söner.
Not
Dozlanan hacim kalibrasyon sırasında litre cinsinden
ölçülmelidir; örneğin ölçülen tanktan dozaj sıvısı
çekilebilir.
Not
Kalibrasyon işlemi, debi için mevcut giriş ve çıkışın
tahsis/ölçme ayarını değiştirmez.
Akım girişi veya çıkışı kullanılırsa, kalibrasyondan
sonra yeni bir akım ölçümü gerekip gerekmediğini
kontrol edin.
TM03 6678 4506
red LED
red LED
Down
Up
Stop
Start
Stop
Start
Stop
Start
OFF
Up
Down
CAL
- - -
CAL
Menu
Info
Menu
Info
Menu
Info
Menu
Info
OFF
CAL
99
Run
CAL
200
Stop
CAL
87
Stop CAL
1315
Stop
CAL
ml
1295
Stop
CAL
On
CAL
Up
Yanıp sönüyor
Yeşil LED yanıp sönüyor. 200 strok işler
Kullanıcı tarafından
belirlenen strok sayısında
manuel duruş
Üretim kalibrasyonu değeri - kalibrasyon strok sayısı için hesaplanır
Belirlenen kalibrasyon hacminin
girilmesi
Yanıp sönüyor
ON CAL yazısı çıkana
kadar bekleyin (yanıp
sönmeyen şekilde)
Kırmızı LED
Kırmızı LED

Table of Contents

Related product manuals