EasyManua.ls Logo

Gtec ZY120 - 3 System Description; Transient Voltage Surge Suppression (Tvss) and Emi;Fri Filters; Rectifier;Power Factor Correction (PFC) Circuit; Inverter

Gtec ZY120
43 pages
Print Icon
To Next Page IconTo Next Page
To Next Page IconTo Next Page
To Previous Page IconTo Previous Page
To Previous Page IconTo Previous Page
Loading...
11
ZY120 6-20kVA (11) User Manual EN rev.04.doc
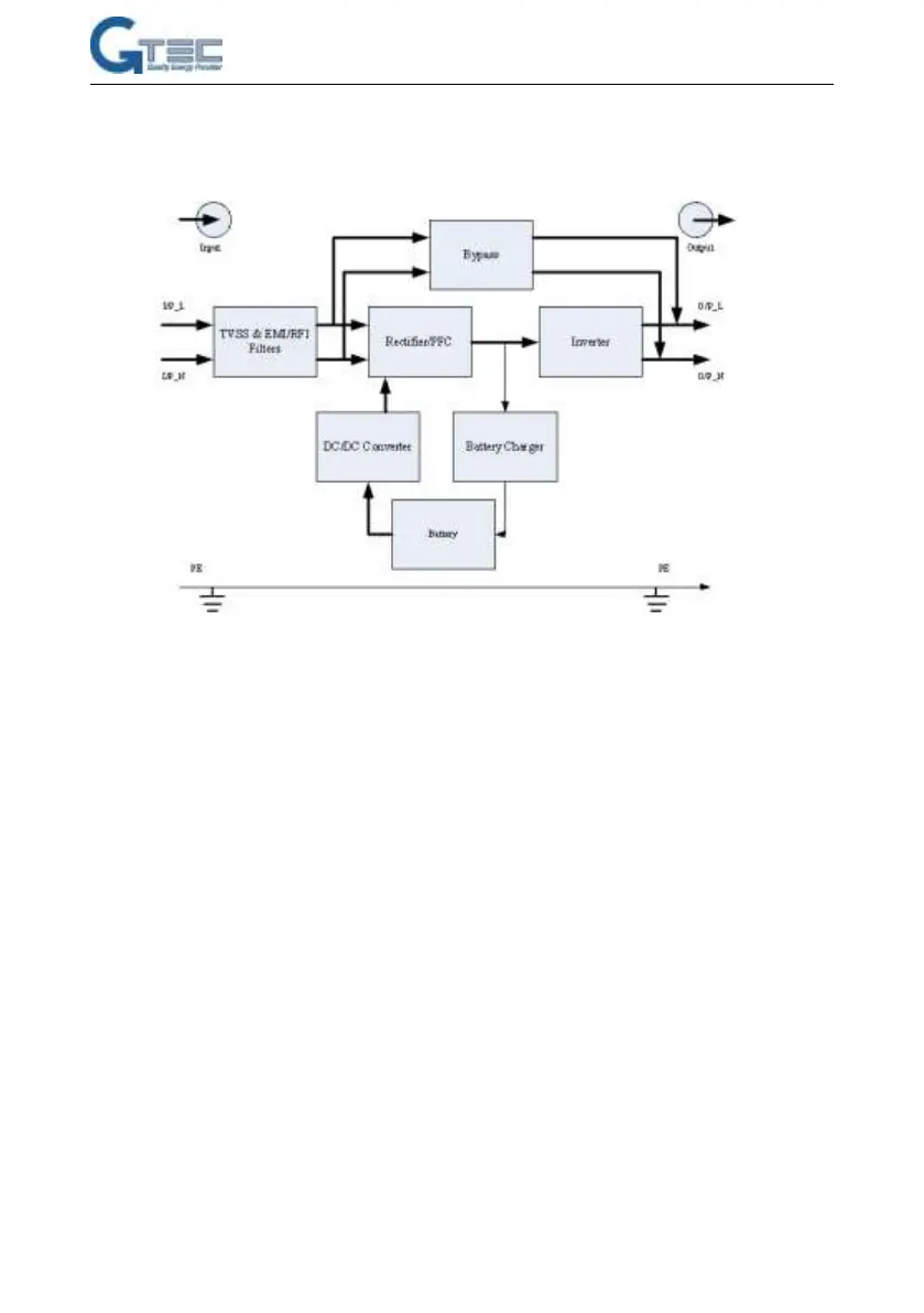
3. SYSTEM DESCRIPTION
3.1 Transient Voltage Surge Suppression (TVSS) and EMI/FRI Filters
These UPS components provide surge protection and filter both electromagnetic interference
(EMI) and radio frequency interference (RFI). They minimize any surge or interference present in
the utility line and keep the sensitive equipment protected.
3.2 Rectifier/Power Factor Correction (PFC) Circuit
In normal operation, the rectifier/power factor correction (PFC) circuit converts utility AC
power to regulated DC power for use by the inverter while ensuring that the waveform of the input
current used by the UPS is near ideal. Extracting this sinewave input current achieves two objects:
The utility power is used as efficiency as possible by the UPS.
The amount of distortion reflected on the utility is reduced.
This results in cleaner power being available to other devices in the building not being
protected by the UPS.
3.3 Inverter
In normal operation, the inverter utilize the DC output of the power factor correction circuit and
inverters it into precise, regulated sinewave AC power. Upon a utility power failure, the inverter
receives its required energy from the battery through the DC-to-DC converter. In both modes of
operation, the UPS inverter is on-line and continuously generating clean, precise, regulated AC

Related product manuals