EasyManua.ls Logo

Hach CLF10sc - Page 27

Hach CLF10sc
132 pages
Print Icon
To Next Page IconTo Next Page
To Next Page IconTo Next Page
To Previous Page IconTo Previous Page
To Previous Page IconTo Previous Page
Loading...
assurez-vous que les échantillons sont suffisamment mélangés ;
assurez-vous que toutes les réactions chimiques sont bien terminées.
Installation mécanique
Monter le panneau
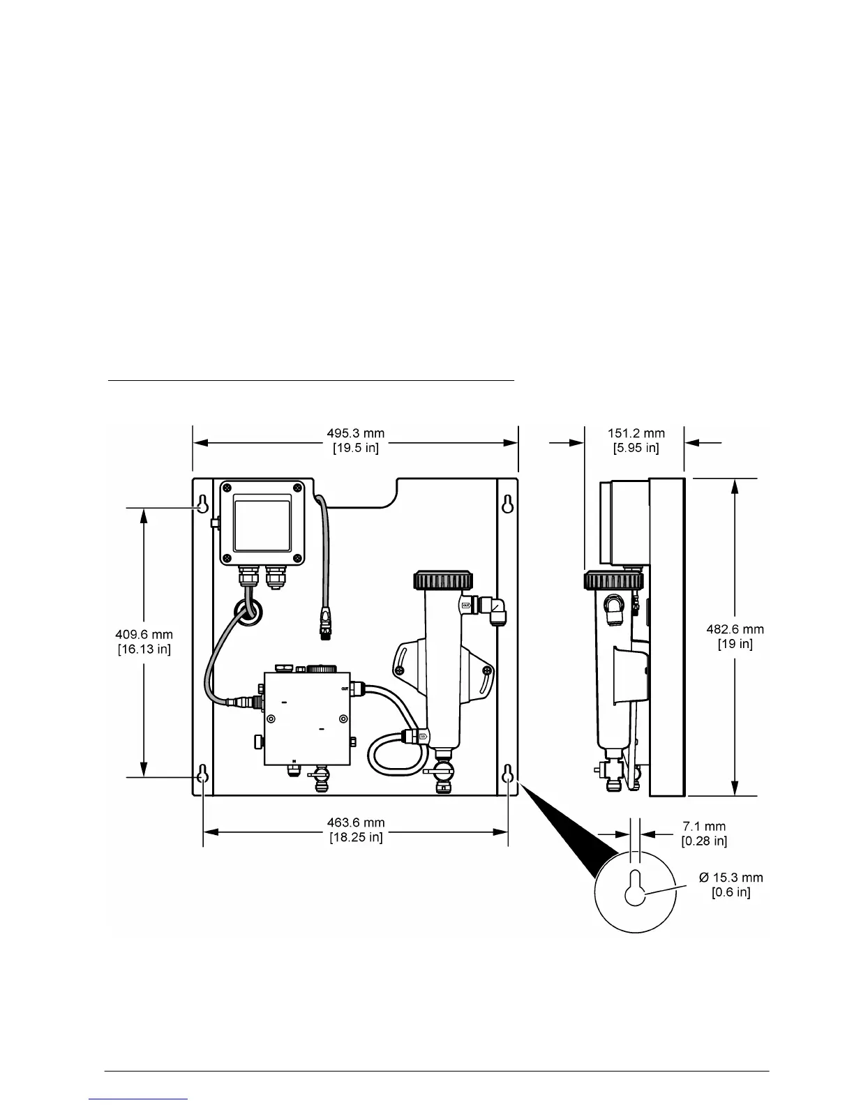
La Figure 5 indique les dimensions du montage. Reportez-vous à la figure et suivez les instructions
de montage du panneau.
1. Fixez les vis de montage sur la surface de montage. Procédez au montage sur un poteau mural
ou à l'aide de dispositifs d'ancrage au mur. Laissez suffisamment d'espace entre la tête de
chaque vis et la surface de montage pour pouvoir y glisser le panneau.
2. Faites glisser les vis de montage dans les trous de fixation du panneau, puis faites glisser le
panneau vers le bas, jusqu'à ce que le haut de chaque trou de fixation enserre la vis.
3. Serrez chaque vis pour fixer le panneau à la surface de montage.
4. Installez le capteur de chlore et le capteur de pH (optionnel) dans les cuves à circulation. Pour
plus d'informations sur l'installation d'un capteur, reportez-vous au manuel d'utilisation du capteur
en question.
Figure 5 Dimensions du panneau chloromètre autonome
Français 27

Related product manuals