EasyManua.ls Logo

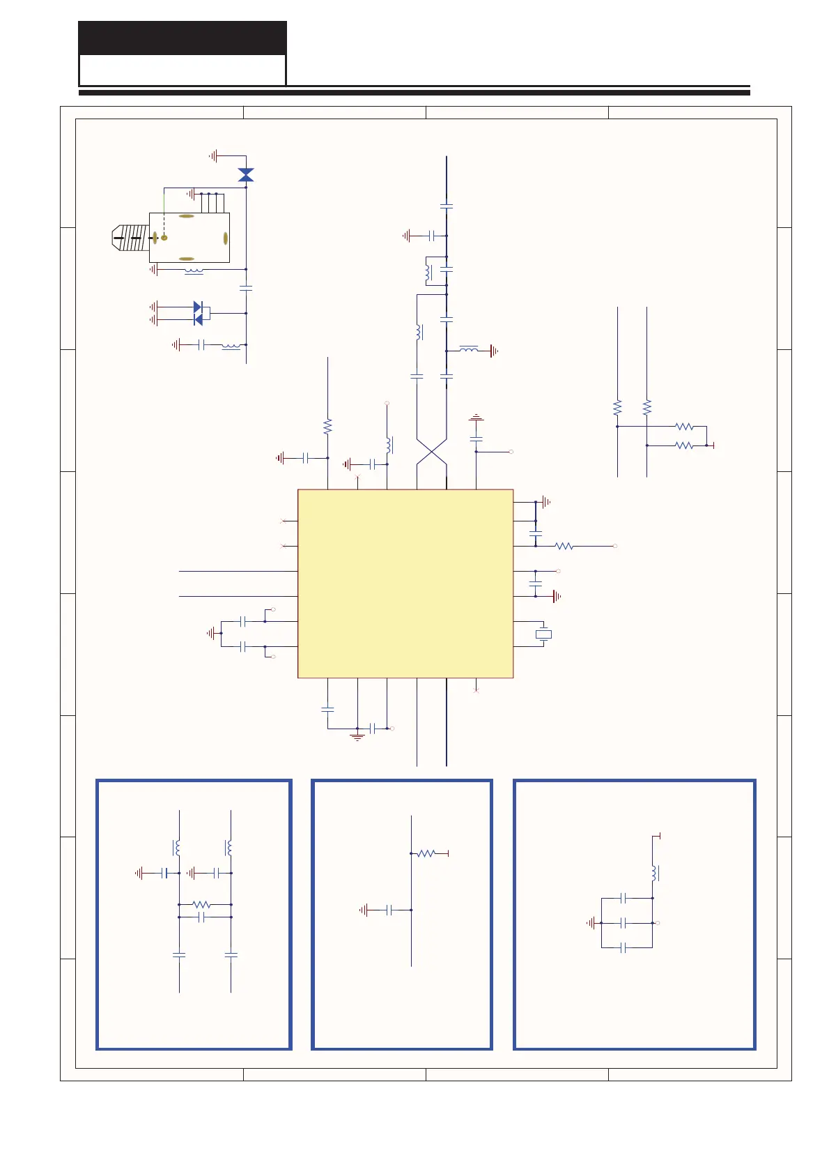
Haier 48E2500 - Tuner and RF Circuit Schematics; Tuner Module Circuit Diagram

Haier 48E2500
53 pages
Print Icon
To Next Page IconTo Next Page
To Next Page IconTo Next Page
To Previous Page IconTo Previous Page
To Previous Page IconTo Previous Page
Loading...
Service Manual
Model No.:48E2500
- 33 -
1
1
2
2
3
3
4
4
5
5
6
6
7
7
8
8
D D
C C
B B
A A
M_SDA
M_SCL
RT12
SDCL1005CR12JTDF( )
RT10
SDCL1005CR12JTDF( )
CT18
10pF-0402-NPO5%-50V
IF_AGC
RT18
10Kohm-0402-±5%-1/16W
3V3_STB
3V3_STB
RT14
4K7ohm-0402-±5%-1/16W
RT15
4K7ohm-0402-±5%-1/16W
RT16
100ohm-0402-±5%-1/16W
RT17
100ohm-0402-±5%-1/16W
CT19
0.22uF-0402-Y5V-+80%-20%-16V
CT27
0.1uF-0402-X5R-±20%-16V
CT32
0.1uF-0402-X5R-±20%-16V
TUNER_SDA
TUNER_SCL
CT21
NC/56pF-0402-NPO-±5%-50V
CT22
NC/56pF-0402-NPO-±5%-50V
GND
GND
VIFM
VIFP
LT10
NC/680ohm-0402-±5%-1/16W
VDD_3P3_1
1
LNA_INP
2
LNA_INN
3
VDD_1P8_1
4
AGC_2/GPO3
5
AGC_1
6
IF_OUTN_2/GPO _1
7
IF_OUTP_2/GPO_2
8
IF_OUTN_1
9
IF_OUTP_1
10
VDD_3P3_2
11
VDD_1P8_2
12
VDD_1P2
13
GND_DIG
14
VDD_1P8_3
22
GND_XTAL
21
XTAL_P
20
XTAL_N
19
CLK_OUT
18
SDA
17
SCL
16
VDD_IO
15
AS
24
RESET_N
23
PADGND
25
UT2
MxL661
3V3_Tun
1.8VRF
IFN
IFP
CT15
0.1uF-0402-X5R-±20%-16V
3V3_Tun 1.8VRF
CT12
0.1uF-0402-X5R-±20%-16V
3V3_Tun
CT6
0.1uF-0402-X5R-±20%-16V
GND
GND
CT4
0.01uF-0402-X7R-±10%-50V
1.8VRF
GND
CT8
1000pF-0402-X7R-±10%-50V
LT3
SDCL1005C33NJTDF( )
LT6
SDCL1005C33NJTDF( )
CT9
1000pF-0402-X7R-±10%-50V
RT3
100ohm-0402-±5%-1/16W
CT14
NC/0.1uF-0402-X5R-±20%-16V
GND
CT11
0.1uF-0402-X5R20%-16V
GND
3V3_Tun
RT1
750Kohm-0402-±5%-1/16W
GND
GND
CT2
1800pF-0402-X7R-±10%-50V
CT1
1uF-0402-X5R-±20%-6.3V
C78
1uF-0402-X5R-±20%-6.3V
RF_INPUT
CT10
5.6pF-0402-NPO-±5%-50V
CT16
NC/1.8pF-0402-NPO0.25pF-50V
GND
GND
LT1
0ohm-0402-±5%-1/16W
CT17
1000pF-0402-X7R-±10%-50V
IFP
IFN
CT25
10uF-0603-X5R-±20%-6.3V
TUNER_SCL
TUNER_SDA
TDA_IF_AGC
3V3_Tun
CT3
0.1uF-0402-X5R-±20%-16V
CT13
NC/10uF-0603-X5R-±20%-6.3V
CT28
1000pF-0402-X7R-±10%-50V
CT24
NC/180pF-0402-NPO-±5%-50V
GND
LT9
NC/SDCL1608CR22JT(F)
GND
GND
LT4
SDCL1005CR33JTDF
GNDGND
DT1
NC/BAV99-BR
RF_INPUT
GND
1
2
3
4
5
RF
GND
GND
GND
GND
RFT1
T-14.5×25×9-F14.5-LHD
NC/ESD
NC/ESD
FT2
FCM1005KF-121T06(120ohm-500mA)
3V3_STB
GND
GND
IF_AGC
LT2
NC/390nH-0603-±5%-C
CT5
0ohm-0402-±5%-1/16W
YT1
16MHz-±20PPM-20PF-HC-49S-SMD-JWT

Related product manuals