EasyManua.ls Logo

HANKISON HBP3200 - P&ID Schematic Models 750 through 4300

Default Icon
44 pages
Print Icon
To Next Page IconTo Next Page
To Next Page IconTo Next Page
To Previous Page IconTo Previous Page
To Previous Page IconTo Previous Page
Loading...
36
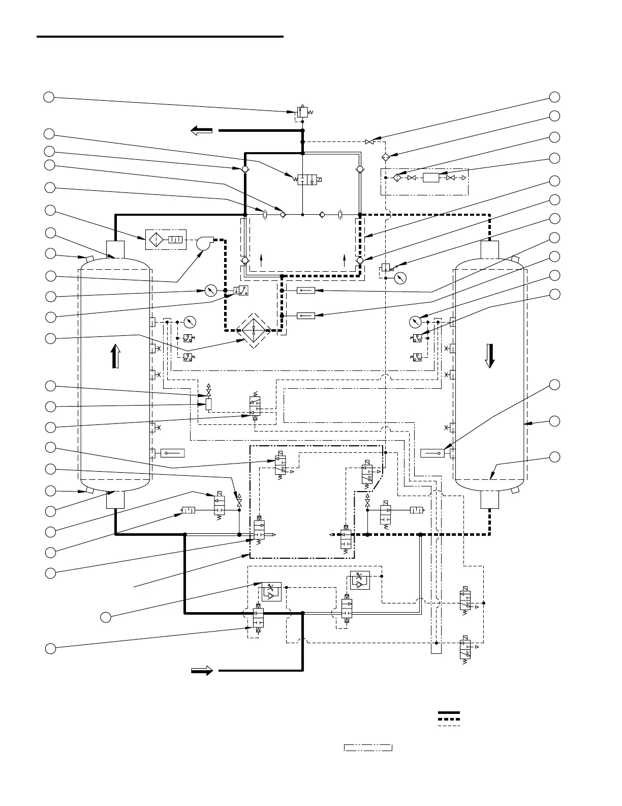
P&ID Schematic
Models 750 through 4300 (Contact factory to request certified drawings)
10
WET GAS
INLET
2
1
17
5
19
21
29
19
16
42
43
13
30
6
23
24
20
DRY GAS
OUTLET
25
28
27
4
54
V2
SOL 'D'
1A
V1
SOL 'F'
EXH.
V9
RTD
1
V3
V4
SOL 'B
'
SOL 'A
'
EXH.
SOL 'G
'
V1
0
RTD
2
1PS
(RTD4/HS1)
ENERGY MGMT OPTION
SET @ 176°F
DRYING
EXH.
3PS
SET
@
5 PSIG
SOL 'C'
2
1
3
LEFT
TOWER
SET
@
45 PSI
G
M
1T
S
(225°F)
RTD
3
SET @ 650°F
1TC
SET @ 370°F
V5
V6
2PS
REGE
N
SET @ 176°F
4PS
SET
@
5 PSIG
18
9
RIGH
T
TOWER
SET
@
45 PSIG
SET AT
100 PSIG
12
11
8
7
26
V12 V13
SOL 'E'
V11V7
V8
SET @ 165 PSI
G
DEWPOINTER OPTION
DPA
15
3
22
14
13
44A
MODEL 750 ONLY
(SEE DETAIL 'A
'
FOR 900-4300)
SOLENOID VA
LVES 'B', 'D', & 'G' ARE SHOWN ENERGIZED,
SYMBOLS ARE PER ANSI Y32.10 "GRAPHIC SYMBOLS FOR FLUID POWER DIAGRAMS."
SOLENOID VA
LVES 'A', 'C', 'E', & 'F' ARE SHOWN DE-ENERGIZED.
AS SHOWN FLOW DIRECTION IS:
INDICATES OPTION
3.
2.
1.
PILOT GAS LINE
RIGHT CHAMBER REGEN
LEFT CHAMBER DRYING
NOTES
4.
44
OPEN 5 TURNS
FROM FULL CLOSED
AND LOCK IN PLAC
E