EasyManua.ls Logo

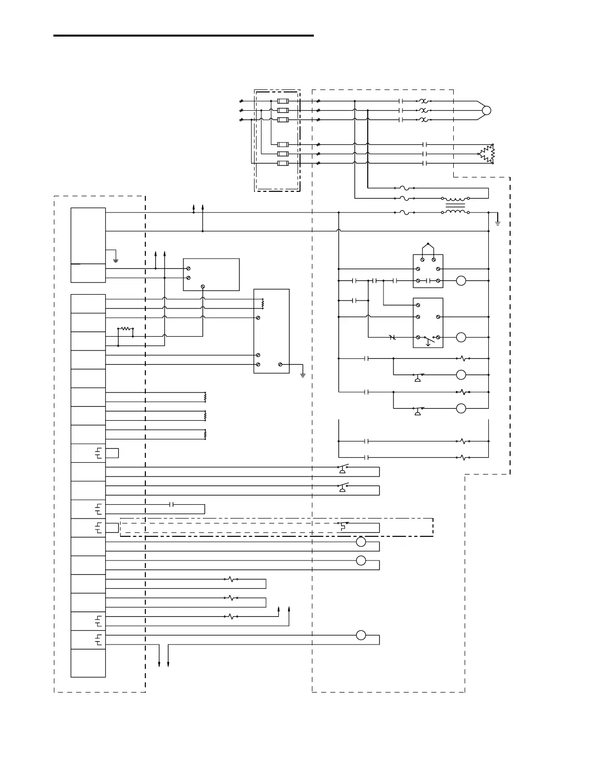
HANKISON HBP3200 - Electrical Schematic - 415 VAC, 3 Phase

Default Icon
44 pages
Print Icon
To Next Page IconTo Next Page
To Next Page IconTo Next Page
To Previous Page IconTo Previous Page
To Previous Page IconTo Previous Page
Loading...
41
Electrical Schematic – 415VAC, 3 phase
(Contact factory to request certified drawings)
LOCATED
EXTERNALLY
HEATER OVERTEMPERATURE
RPS
RPS
IN2
RT
D5-
IN1
LPS
LPS
RT
D3-
RT
D3+
RT
D5+
RT
D4-
RT
D4+
RT
D1
RT
D
RTD
RIGHT CHAMBER
LEFT CHAMBER
RTD
RT
D3
RT
D2
ANLG2+
ANLG2-
RT
D2-
RT
D2+
+5VDC
DC COM
RT
D1-
RT
D1+
ANLG1-
ANLG1+
+12VDC
DC COM
PE
PE
N
L
L
N
SET @ 45 PSIG2PS
PRESSURE SWITCH
RIGHT CHAMBER
SET @ 45 PSIG1PS
PRESSURE SWITCH
LEFT CHAMBER
SENSOR
5VDC
1-5VDC OUT
+
DEWPOINT
TRANSMITTER
1TC
+ -
L1
N
K TYPE
HC
L
DRY
ALARM
OUT2
CONTACTS
NO
C
NC
R DRY
OUT1
R DRY
L
DRY
SOLENOID "B"
SOLENOID "A"
L
PURGE
L PURGE
R PURGE
R PURGE
IN3
2CR
3CR
LOW TENSION
ENCLOSURE
HIGH TENSION
ENCLOSURE
CUSTOMER PROVIDED
415VAC, 3 PHASE
(FOR FUSING AND WIRE
407
40
8
101A
415VAC
120V
AC
2CR1
3CR1
SOLENOID "F
"
SOLENOID "G
"
1T
2FU
1FU
3FU
L2
L1
L4
L5
L6
HC1
HC2
HC3
404
405
406
+ 4-20MA OUT
ENERGY MGMT
OPTION
RT
D4
+
-
1HTR
102
101
102
102
102
1CR
102
101
101
101
109
111
101 107
SOLENOID "C"
21
LEFT CHAMBER DEPRESS
LEFT CHAMBER PURGE
EXHAUST
HEAT ENABLE
C NO
101
102
20
21
80
81
70
72
21
10
11
84
85
86
87
88
89
32
33
34
35
50
51
52
53
54
55
56
57
59
20
20
21
TO
TB3
+12VDC
FROM TB6
SOLENOID "E"
+12VDC
20 21
+
-
-
+
-
+
-
+
4CR
1CR1
104
105
102
+ -
+ -
+ -
+ -
3
G
1
RED
ORANGE
GREEN
ORANGE
BLACK
249 OHM
1/8W
EXTERNALLY
LOCATED
OPTION
102
120VAC
TO
TB3
101
102
101
120VAC
FROM TB5
101
11
5
21
109
3PS
110
CLOSES @ 5 PSIG
4CR1
104
101
5CR1
MC-AUX
LEFT CHAMBER DEPRESS
CLOSES @ 5 PSIG
111
4PS
SOLENOID "D
"
21
102
102
11
2
5CR
RIGHT CHAMBER DEPRESS
EXHAUST
RIGHT CHAMBER PURG
E
RIGHT CHAMBER DEPRES
S
L3
L2
L1
MC1
MC3
MC2
403
402
401
MOTOR
1M
{
SIZING SEE TABLE 1)
106
20
4CR2
23
20
5CR2
24
~
~
+12VDC
FROM TB6-1 FROM TB6-2
DC COM
OL-AUX
36
37
H1 H3
X2 X4
OL1
OL2
OL3
BLACK
GREEN
RED
21
1TS
USED ON MODELS
3200, 3600 & 4300
SET @ 225°F
39
38
0.5 AM
P
0.5 AM
P
1.25 AMP
TB5
HEATER & MOTOR
FUSES BY
CUSTOMER
101
11
4
101
OL-AUX
105
B1
1TR1
108
15 18
A1 A2
102
102
MC
102
(SIGNAL OFF-DELAY)
SET 1TR ON MODE "D".
NOTE
:
1TR (OFF-DELAY, SET @ 180S
)
YELLOW
G

Related product manuals