EasyManua.ls Logo

HANKISON HBP3200

Default Icon
44 pages
To Next Page IconTo Next Page
To Next Page IconTo Next Page
To Previous Page IconTo Previous Page
To Previous Page IconTo Previous Page
Loading...
39
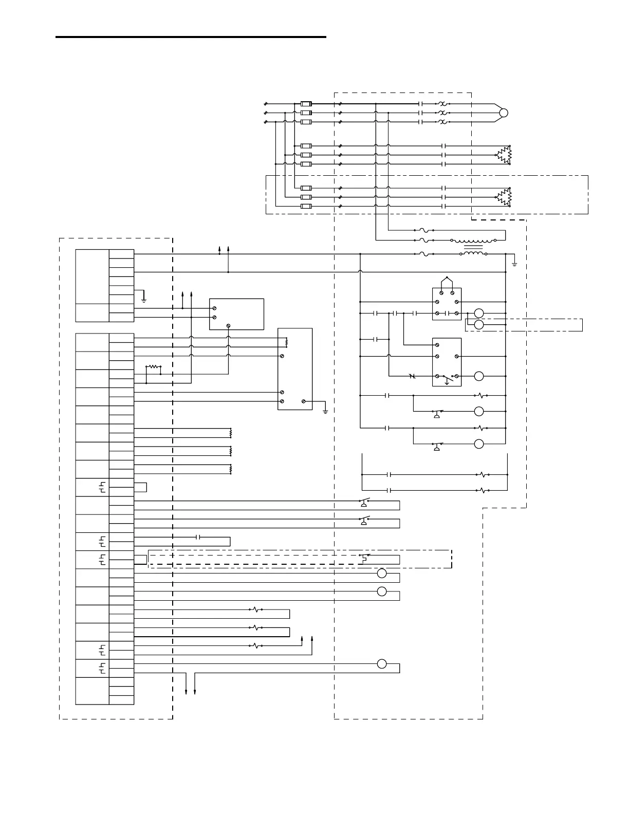
Electrical Schematic – 575VAC, 3 phase
(Contact factory to request certified drawings)
LOCATED
EXTERNALLY
HEATER OVERTEMPERATURE
TB1-12
TB1-11
TB1-13
TB2-1
TB1-16
TB1-15
TB1-14
TB2-2
TB2-6
TB2-5
TB2-4
TB2-7
TB2-8
TB2-3
RPS
RPS
IN2
RTD5
-
IN1
LPS
LPS
RTD3
-
RTD3
+
RTD5
+
RTD4
-
RTD4
+
RT
D1
RT
D
RT
D
RIGHT CHAMBER
LEFT CHAMBER
RT
D
RT
D3
RT
D2
TB5-1
TB5-1
TB5-3
TB5-3
TB5-2
TB5-2
TB6-2
TB1-1
TB1-2
TB1-7
TB1-6
TB1-5
TB1-4
TB1-8
TB1-3
TB6-1
TB1-10
TB1-9
ANLG2+
ANLG2-
RTD2
-
RTD2
+
+5VDC
DC COM
RTD1
-
RTD1
+
ANLG1-
ANLG1+
+12VDC
DC COM
PE
PE
N
L
L
N
SET @ 45 PSIG2PS
PRESSURE SWITCH
RIGHT CHAMBER
SET @ 45 PSIG1PS
PRESSURE SWITCH
LEFT CHAMBER
SENSOR
5VDC
1-5VDC OUT
+
DEWPOINT
TRANSMITTER
1TC
+ -
L1
N
K TYPE
1HC
TB3-5L DRY
TB3-6
TB3-8
TB3-7
TB3-11
TB3-10
TB3-9
TB3-12
TB4-1
TB4-3
TB4-2
ALARM
OUT2
CONTACTS
NO
C
NC
R DRY
OUT1
R DRY
L
DRY
SOLENOID "B"
SOLENOID "A"
TB2-10
TB3-1
TB2-9
TB3-3
TB3-2
TB3-4
L
PURGE
L
PURGE
R PURGE
R PURGE
IN3
2CR
3CR
LOW TENSION
ENCLOSURE
HIGH TENSION
ENCLOSURE
510
51
1
101A
575V
AC
115V
AC
2CR1
3CR1
SOLENOID "F
"
SOLENOID "G
"
1T
2FU
1FU
3FU
L2
L1
L7
L8
L9
2HC1
2HC2
2HC3
507
508
509
+ 4-20MA OUT
ENERGY MGMT
OPTION
RT
D4
+
-
2HTR
102
101
102
102
102
1CR
102
101
101
101
109
11
1
101
107
SOLENOID "C
"
21
LEFT CHAMBER DEPRESS
LEFT CHAMBER PURGE
EXHAUST
HEAT ENABLE
C NO
101
102
20
21
80
81
70
72
21
10
11
84
85
86
87
88
89
32
33
34
35
50
51
52
53
54
55
56
57
59
20
20
21
TO
TB3
+12VDC
FROM TB6
SOLENOID "E"
+12VDC
20 21
+
-
-
+
-
+
-
+
4CR
1CR1
104
105
102
+ -
+ -
+ -
+ -
3
G
1
RED
ORANGE
GREEN
BROWN
BLACK
249 OHM
1/8W
EXTERNALLY
LOCATED
OPTION
102
120VAC
TO
TB3
101
102
101
120VAC
FROM TB5
101
11
0
21
109
3PS
11
0
CLOSES @ 5 PSI
G
4CR1
104
101
5CR1
MC-AUX
LEFT CHAMBER DEPRESS
CLOSES @ 5 PSI
G
111
4PS
SOLENOID "D
"
21
102
102
11
2
5CR
RIGHT CHAMBER DEPRESS
EXHAUST
RIGHT CHAMBER PURGE
RIGHT CHAMBER DEPRESS
L6
L5
L4
106
20
4CR2
23
20
5CR2
24
~ ~
+12VDC
FROM TB6-1 FROM TB6-2
DC COM
OL-AUX
36
37
H1
X1 X3
H5
21
GREEN
BLACK
RED
SET @ 225°F
1TS
3200, 3600 & 4300
USED ON MODELS
OL
2
{
MC2
(FOR FUSING AND WIRE
L3
SIZING SEE TABLE 1)
MC3 OL
3
503
L2
575VAC, 3 PHASE
CUSTOMER PROVIDED
L1
MC1 OL
1
501
502
MOTOR
1M
1HC1
1HC3
1HC2
506
505
504
1HTR
2HC
102
3200, 3600 & 4300
USED ON MODEL
S
3200, 3600 & 4300
USED ON MODEL
S
38
39
101
11
4
101
OL-AUX
105
B1
1TR1
108
15 18
A1 A2
102
102
MC
102
(SIGNAL OFF-DELAY
)
SET 1TR ON MODE "D".
NOTE:
1TR (OFF-DELAY, SET @ 180S
)
0.5 AM
P
0.5 AM
P
1.25 AM
P
YELLOW
G

Related product manuals