EasyManua.ls Logo

HANKISON HBP3200

Default Icon
44 pages
To Next Page IconTo Next Page
To Next Page IconTo Next Page
To Previous Page IconTo Previous Page
To Previous Page IconTo Previous Page
Loading...
38
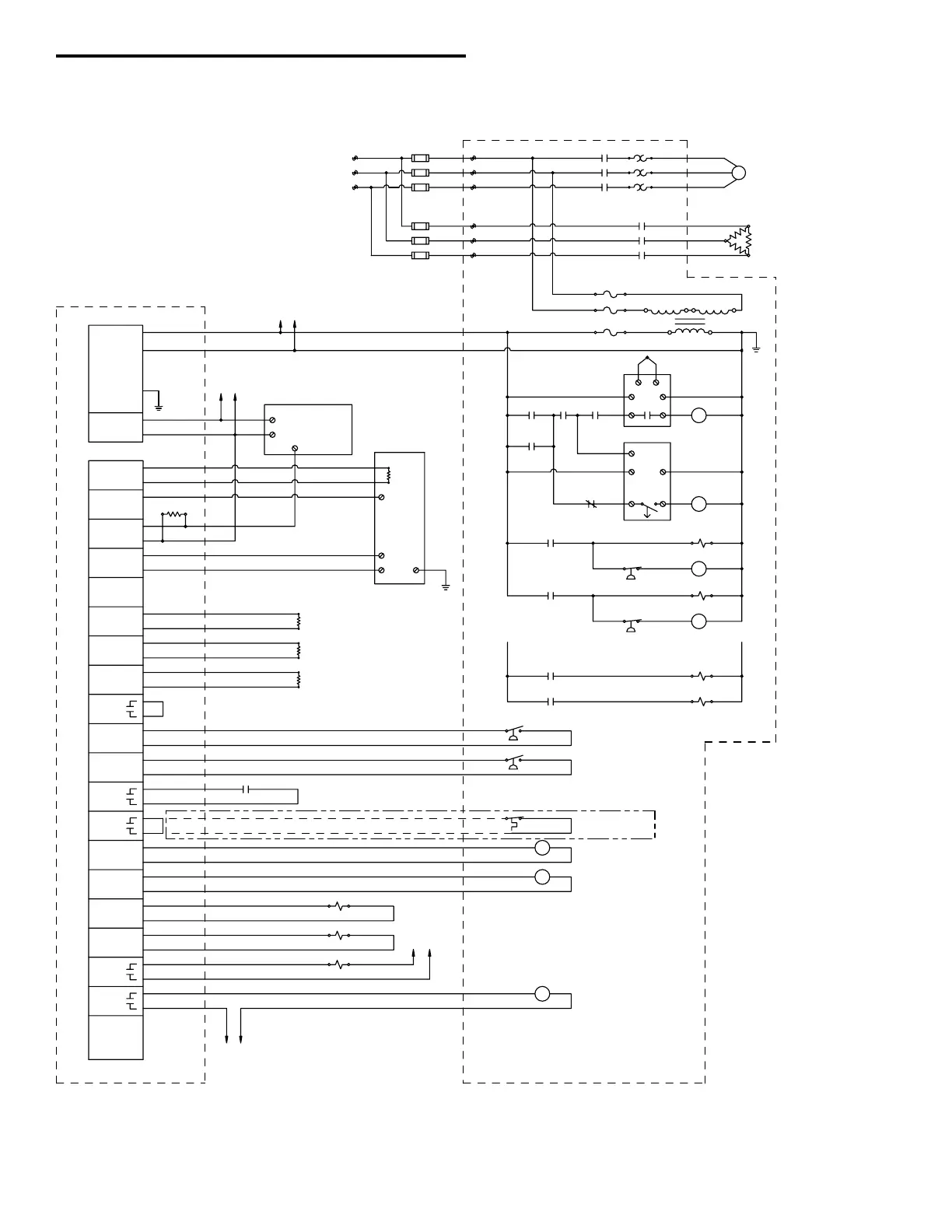
Electrical Schematic – 460VAC, 3 phase
(Contact factory to request certified drawings)
LOCATED
EXTERNALLY
HEATER OVERTEMPERATURE
RPS
RPS
IN2
RT
D5-
IN1
LPS
LPS
RT
D3-
RT
D3+
RT
D5+
RT
D4-
RT
D4+
RTD1
RT
D
RTD
RIGHT CHAMBER
LEFT CHAMBER
RT
D
RTD3
RTD2
ANLG2+
ANLG2-
RT
D2-
RTD2+
+5VDC
DC COM
RT
D1-
RT
D1+
ANLG1-
ANLG1+
+12VDC
DC COM
PE
PE
N
L
L
N
SET @ 45 PSIG2PS
PRESSURE SWITCH
RIGHT CHAMBER
SET @ 45 PSIG1PS
PRESSURE SWITCH
LEFT CHAMBER
SENSOR
5VDC
1-5VDC OUT
+
DEWPOINT
TRANSMITTER
1TC
+ -
L1
N
K TYPE
HC
L DRY
ALARM
OUT2
CONTACTS
NO
C
NC
R DRY
OUT1
R DRY
L
DRY
SOLENOID "B"
SOLENOID "A"
L
PURGE
L
PURGE
R PURGE
R PURGE
IN3
2CR
3CR
LOW TENSION
ENCLOSURE
HIGH TENSION
ENCLOSURE
CUSTOMER PROVIDED
460VAC, 3 PHASE
(FOR FUSING AND WIRE
407
40
8
101A
460V
AC
115V
AC
2CR1
3CR1
SOLENOID "F
"
SOLENOID "G
"
1T
2FU
1FU
3FU
L2
L1
L4
L5
L6
HC1
HC2
HC3
404
405
406
+ 4-20MA OUT
ENERGY MGMT
OPTION
RT
D4
+
-
1HTR
102
101
102
102
102
1CR
102
101
101
101
109
111
101
107
SOLENOID "C"
21
LEFT CHAMBER PURGE
EXHAUST
HEAT ENABLE
C NO
101
102
20
21
80
81
70
72
21
10
11
84
85
86
87
88
89
32
33
34
35
50
51
52
53
54
55
56
57
59
20
20
21
TO
TB3
+12VDC
FROM TB6
SOLENOID "E
"
+12VDC
20 21
+
-
-
+
-
+
-
+
4CR
1CR1
104
105
102
+ -
+ -
+ -
+ -
3
G
1
RED
ORANGE
GREEN
BROWN
BLACK
249 OHM
1/8W
EXTERNALLY
LOCATED
OPTION
102
120VAC
TO
TB3
101
102
101
120VAC
FROM TB5
101
11
5
21
109
3PS
110
CLOSES @ 5 PSIG
4CR1
104
101
5CR1
MC-AUX
LEFT CHAMBER DEPRESS
111
4PS
SOLENOID "D
"
21
102
102
11
2
5CR
RIGHT CHAMBER DEPRESS
EXHAUST
RIGHT CHAMBER PURG
E
L3
L2
L1
MC1
MC3
MC2
403
402
401
MOTOR
1M
{
SIZING SEE TABLE 1)
106
20
4CR2
23
20
5CR2
24
~
~
+12VDC
FROM TB6-1 FROM TB6-
2
DC COM
OL-AUX
36
37
H1 H3
X1 X2
OL1
OL2
OL3
H2 H4
21
GREEN
BLACK
RED
SET @ 225°F
1TS
3200, 3600 & 4300
USED ON MODEL
S
38
39
0.5 AM
P
0.5 AM
P
1.25 AMP
TB5
CLOSES @ 5 PSIG
1TR (OFF-DELAY, SET @ 180S)
108
102
15 18
1TR1
A1
B1
A2
MC
102
102
105
101
OL-AUX
104
11
4
101
NOTE
:
SET 1TR ON MODE "D".
(SIGNAL OFF-DELAY)
G
YELLOW

Related product manuals