EasyManua.ls Logo

Hardi MASTER PRO VHH - Diagram - BK Liquid System

Hardi MASTER PRO VHH
82 pages
Print Icon
To Next Page IconTo Next Page
To Next Page IconTo Next Page
To Previous Page IconTo Previous Page
To Previous Page IconTo Previous Page
Loading...
3 - Description
19
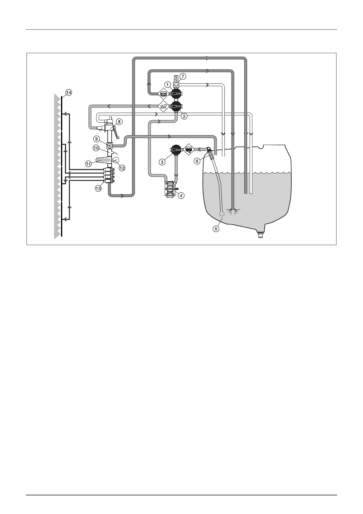
Diagram - BK Liquid system
1. Agitation valve
2. Pressure valve
3. Suction valve
4. Pump
5. Main tank
6. Suction filter
7. Safety valve
8. Operating unit ON/OFF
9. Pressure regulation
10. Flowmeter (optional equipment)
11. Pressure filter
12. Pressure gauge
13. Distribution valves
14. Distribution boom

Table of Contents

Related product manuals