EasyManua.ls Logo

Hardi MASTER PRO VHH - Diagram - EVC Liquid System

Hardi MASTER PRO VHH
82 pages
Print Icon
To Next Page IconTo Next Page
To Next Page IconTo Next Page
To Previous Page IconTo Previous Page
To Previous Page IconTo Previous Page
Loading...
3 - Description
20
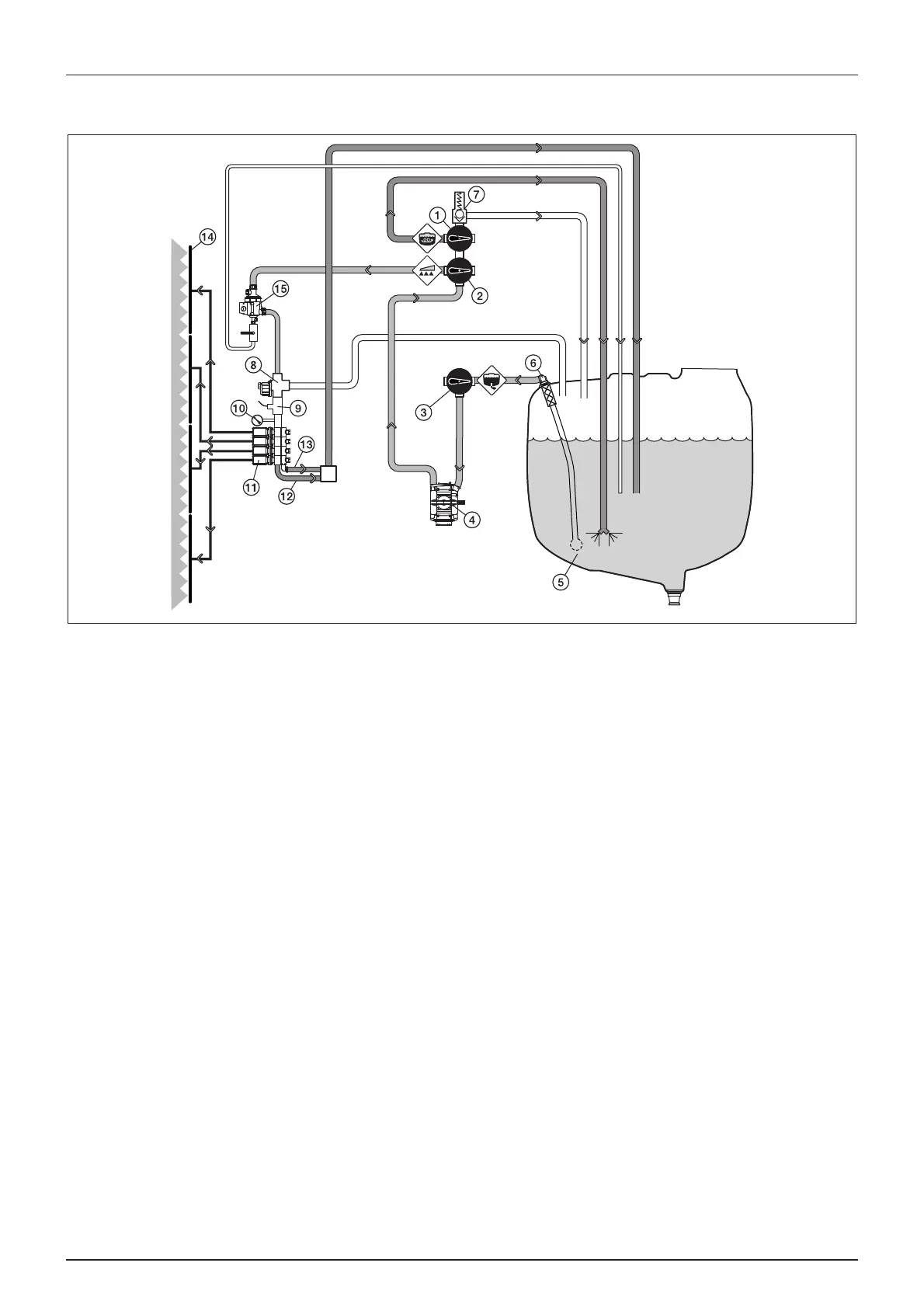
Diagram - EVC Liquid system
1. Agitation valve
2. Pressure valve
3. Suction valve
4. Pump
5. Main tank
6. Suction filter
7. Safety valve
8. Pressure regulation
9. Flowmeter (optional)
10. Pressure gauge
11. Distribution valves
12. Return pressure drop
13. Return to tank from pressure equalization
14. Distribution boom
15. Self-Cleaning filter

Table of Contents

Related product manuals