EasyManua.ls Logo

Hardi MASTER PRO VHH - Boom Hydraulic - y

Hardi MASTER PRO VHH
82 pages
Print Icon
To Next Page IconTo Next Page
To Next Page IconTo Next Page
To Previous Page IconTo Previous Page
To Previous Page IconTo Previous Page
Loading...
8 - Technical specifications
77
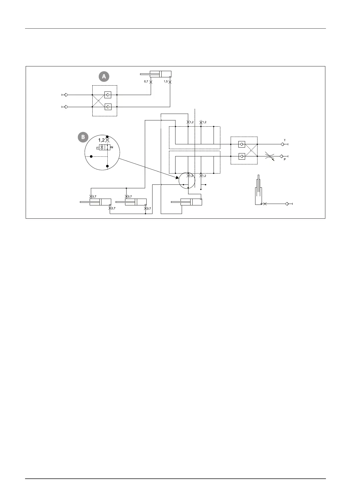
Boom hydraulic - Y
A. Option for slanting.
B. Option for single side folding (VHH only).

Table of Contents

Related product manuals