EasyManua.ls Logo

HBM U10M - Dimensions and Mounting Clearances; U10 M;U10 S with Foot Adapter Dimensions

HBM U10M
128 pages
Print Icon
To Next Page IconTo Next Page
To Next Page IconTo Next Page
To Previous Page IconTo Previous Page
To Previous Page IconTo Previous Page
Loading...
35
U10M, U10S
A1385-6.2 en/de/fr HBM
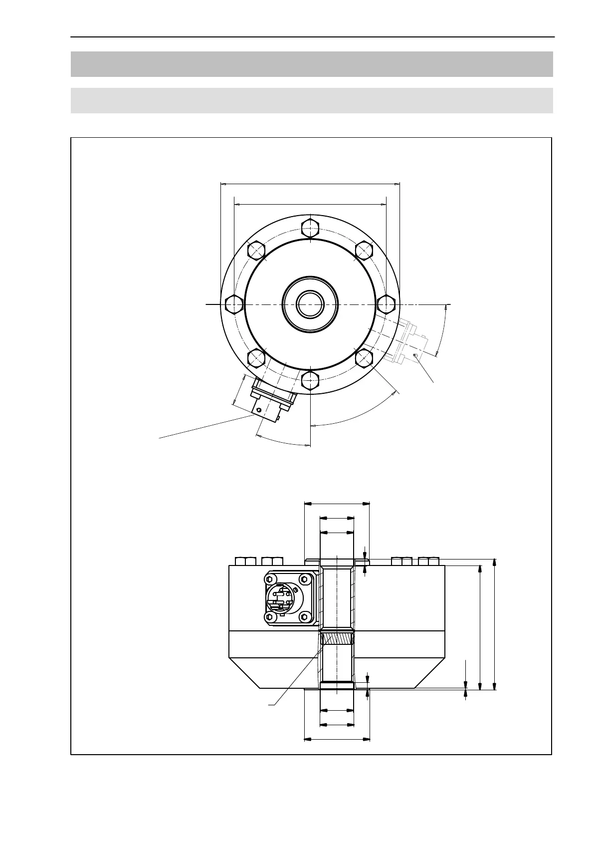
10 Dimensions
10.1 U10M/U10S with foot adapter
Second plug for the
double bridge version
Bayonet:
plug‐compatible with the
MIL-C-26482 series 1 connection
Optional:
Thread, plug‐compatible with the
MIL-C-26482 series 1 connection
ØB
ØA
D
D
E
max. 20
* Maximum centering depth
Dimensions in mm; 1 mm = 0.03937 inch
F
G
3
*
G1
K
0.8
L
N
P
3
*
P
Anti‐screw‐through device
(must not be removed)

Table of Contents

Related product manuals