EasyManua.ls Logo

HBM U10M - 10 Abmessungen; U10 M;U10 S mit Fußadapter

HBM U10M
128 pages
Print Icon
To Next Page IconTo Next Page
To Next Page IconTo Next Page
To Previous Page IconTo Previous Page
To Previous Page IconTo Previous Page
Loading...
U10M, U10S
76
A1385-6.2 en/de/frHBM
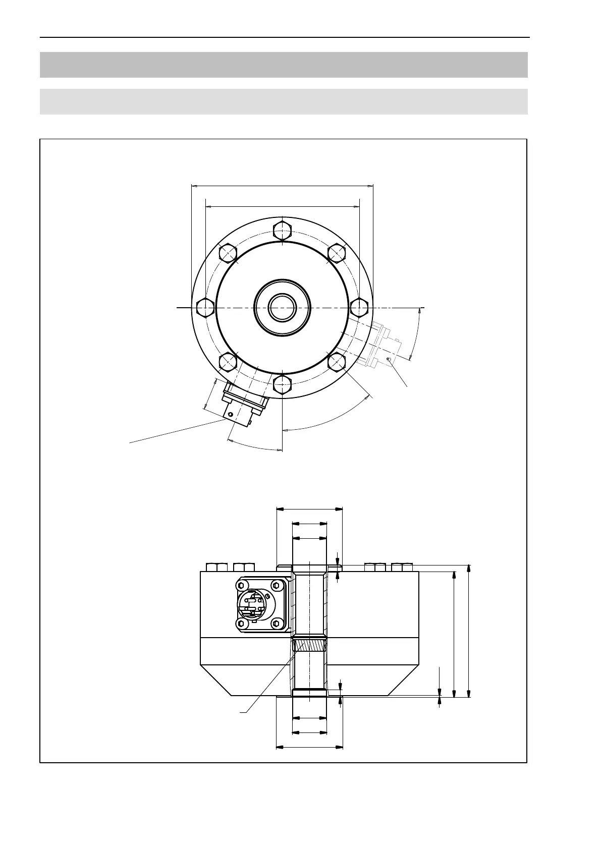
10 Abmessungen
10.1 U10M/U10S mit Fußadapter
Zweiter Stecker bei
Doppelbrücken‐
Version
Bajonett:
steckkompatibel zu Anschluss
MIL-C-26482 Serie 1
Optional:
Gewinde, steckkompatibel zu
Anschluss MIL-C-26482 Serie 1
ØB
ØA
D
D
E
max. 20
* maximale Zentriertiefe
Abmessungen in mm; 1 mm = 0,03937 inch
F
G
3
*
G1
K
0,8
L
N
P
3
*
P
Durchschraubsicherung
(darf nicht entfernt werden)

Table of Contents

Related product manuals