EasyManua.ls Logo

Heatmaster G200 - Wiring Diagrams

Default Icon
37 pages
Print Icon
To Next Page IconTo Next Page
To Next Page IconTo Next Page
To Previous Page IconTo Previous Page
To Previous Page IconTo Previous Page
Loading...
G Series Outdoor Furnaces
www.heatmasterss.com
- 28 -
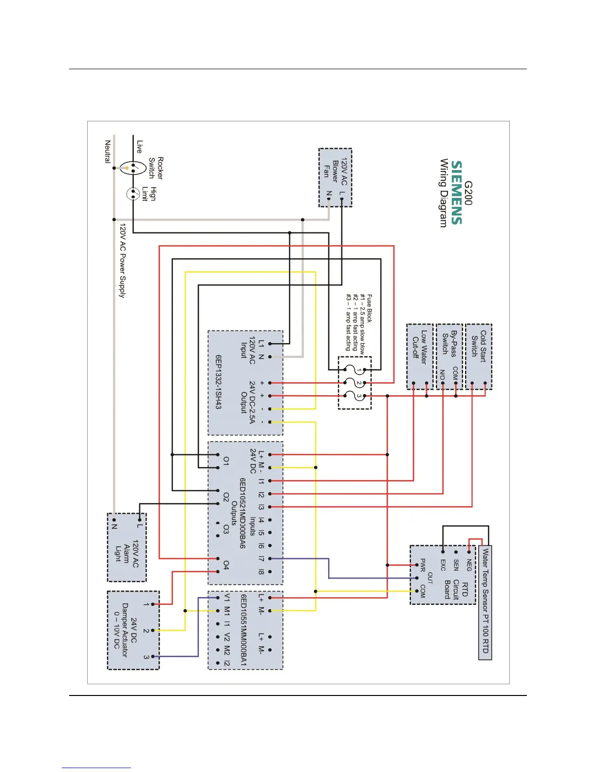
G100 & G200 ELECTRICAL SCHEMATIC

Related product manuals