EasyManua.ls Logo

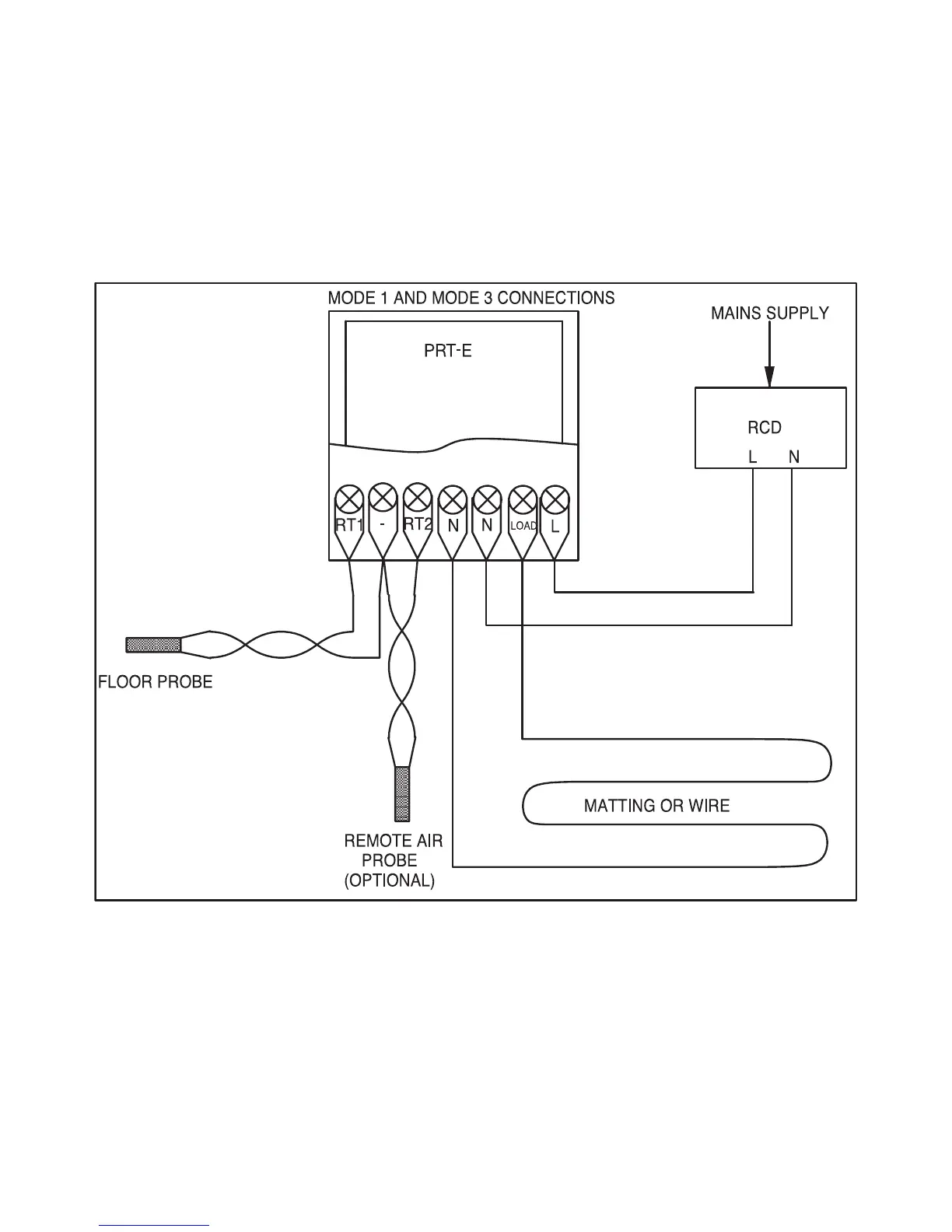
Heatmiser JG PRT-E - Wiring

Heatmiser JG PRT-E
24 pages
Print Icon
To Next Page IconTo Next Page
To Next Page IconTo Next Page
To Previous Page IconTo Previous Page
To Previous Page IconTo Previous Page
Loading...
20

Related product manuals