EasyManua.ls Logo

HELI CPD18 - Page 52

Default Icon
131 pages
Print Icon
To Next Page IconTo Next Page
To Next Page IconTo Next Page
To Previous Page IconTo Previous Page
To Previous Page IconTo Previous Page
Loading...
49
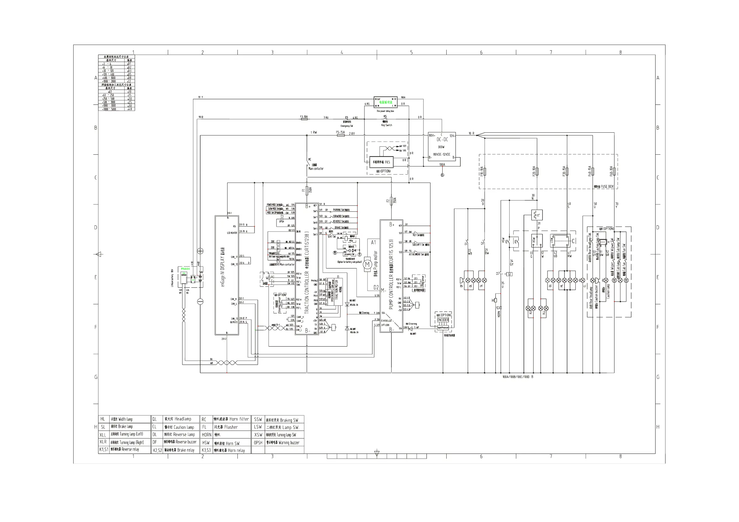
Fig. 4-7 Circuit diagrams of electric system CPD3035-GC1Li)

Table of Contents

Related product manuals